Overview
Product Details
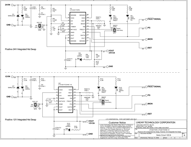
DC1051A: Demo Board for the LTC4217 2A Integrated Hot Swap Controller.
Applicable Parts
Documentation & Resources
-
Hot Swap Controllers8/2/2023PDF0 M
-
DC1051A - Schematic9/24/2009PDF28K
-
DC1051A - Demo Manual5/7/2013PDF200K
-
DC1051A - Design File9/24/2009ZIP656K




