Overview
Product Details
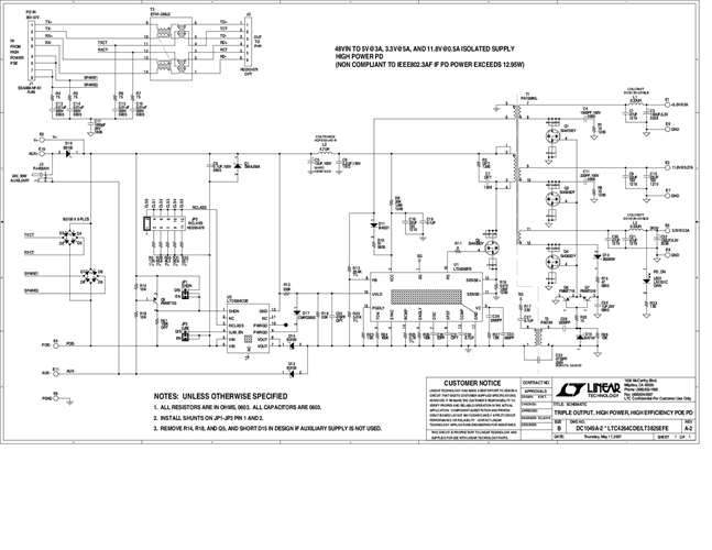
DC1049A: Demo Board for the LTC4264 High Power PD Interface Controller with 750mA Current Limit.
Applicable Parts
Documentation & Resources
-
DC1049A - Schematic9/24/2009PDF56K
-
DC1049A - Demo Manual9/24/2009PDF1M
-
DC1049A - Design File9/24/2009ZIP1M
