Overview
Product Details
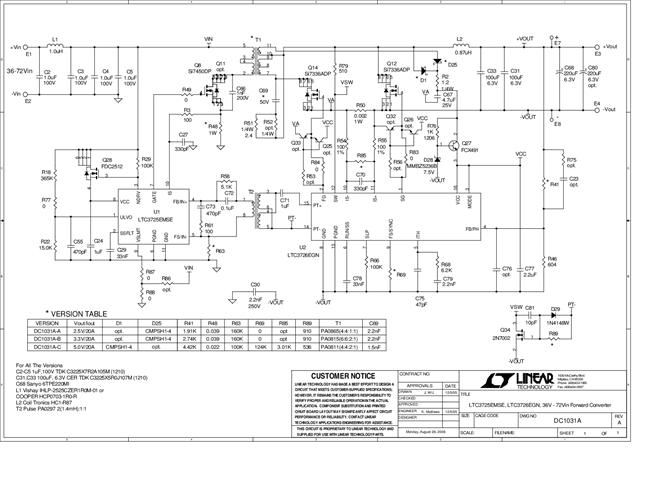
Demonstration circuit 1031A-A is a 36V-72Vin, synchronous forward converter featuring the LTC3725 forward converter and the LTC3726 secondary-side controller. This circuit was designed specifically to attain a high current, low ripple, synchronously rectified forward converter to efficiently power 2.5V loads at up to 20A from a typical telecom input voltage range. This circuit features secondary side control of the supply eliminating the need for an optocoupler.
Documentation & Resources
-
DC1031A-A - Schematic2/19/2011PDF40K
-
DC1031A-A - Demo Manual2/19/2011PDF533K
-
DC1031A-A - Design File2/19/2011ZIP1M
