Overview
Product Details
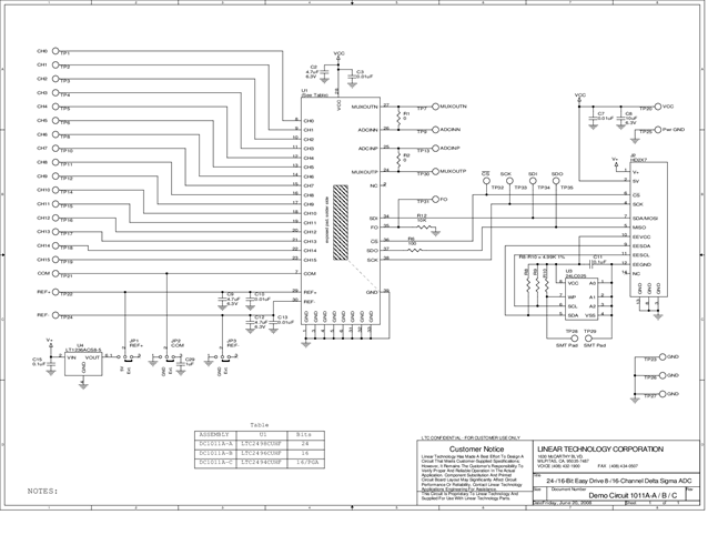
DC1011A-C: Demo Board for the LTC2494 16-Bit 8-/16-Channel ΔΣ ADC with PGA and Easy Drive Input Current Cancellation
Markets and Technologies
Applicable Parts
Documentation & Resources
-
DC1011A - Schematic3/1/2012PDF28K
-
DC1011A - Demo Manual6/20/2013PDF586K
-
DC1011A - Design Files3/1/2012ZIP639K




