Overview

Product Details

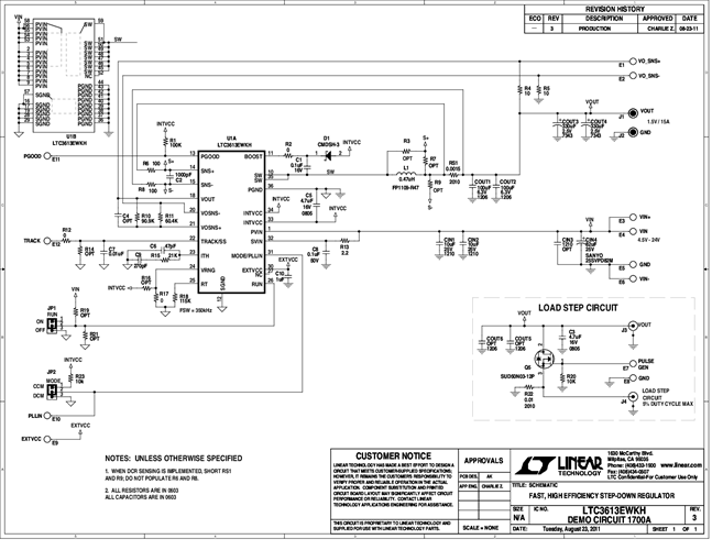
Demonstration circuit 1700A is a fast, high efficiency synchronous buck DC/DC converter with 4.5V to 24V input range. It can supply 15A maximum load current at 1.5V output. The demo board features the LTC3613EWKH regulator. No external MOSFETs are required.


The controlled on-time constant frequency valley current mode architecture allows for both fast transient response and constant frequency switching in steady-state operation.

Applicable Parts

Documentation & Resources