Overview
Product Details
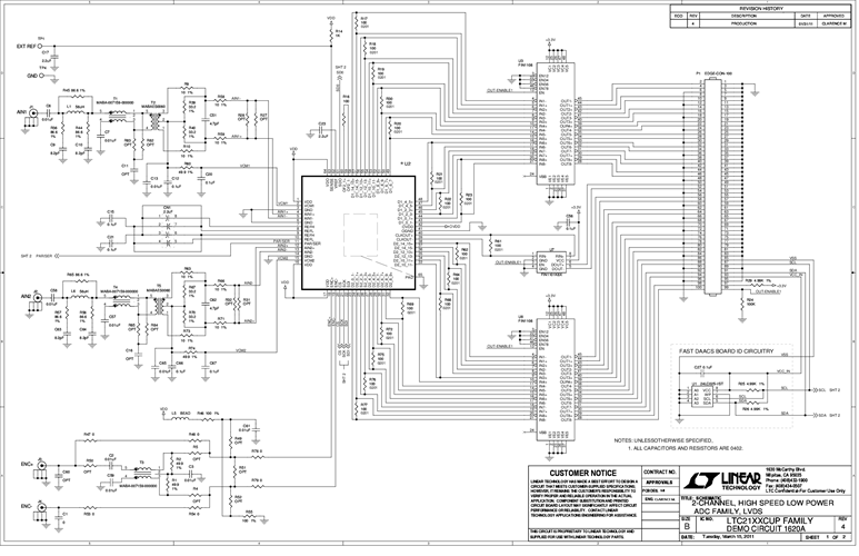
DC1620A-D: Demo Board for the LTC2182 16-Bit, 65Msps Low Power Dual ADCs.
Applicable Parts
Documentation & Resources
-
DC1620A - Schematic1/18/2012PDF128K
-
DC1620A - Demo Manual8/28/2012PDF459K
-
DC1620A - Design Files5/16/2011ZIP5M
