Micropower Circuit Monitors Positive Supply Current

Abstract

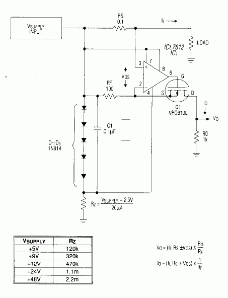
The following application note shows a circuit that converts the load current of a positive power supply into a ground referenced signal voltage using the ICL7612 operational amplifier.

The inexpensive circuit of Figure 1 converts the load current of a positive power supply to a ground-referenced signal voltage, without recourse to the instrumentation amplifier, extra power supply, and matched sets of resistors typical of such circuits. The output current IO (proportional to supply current) flows through RO to produce VO. Because IO is generated by a true current source, you can reference VO to ground or to any reasonable level within the supply range. The measurement is independent of variations in the supply voltage.

Because the op amp's common-mode range includes the supply rails, it can sense small voltages near the positive rail, such as those across RS. Feedback resistor RF should equal 100RS or 1000RS. The op amp drives P-channel MOSFET Q1, whose drain-source current produces a voltage across RF equal to that across RS, subject to an error of ±VOS. As a result,

IO = (ILRS)(1/RF) and,
VO = (ILRS)(RO/RF).

The component values shown provide a VO range of 0 to 1V for the supply-current range 0 to 1A. You can add a trimming potentiometer to null VOS. The remaining gain error depends on the tolerance of RS, RF or RO. The op amp draws 20µA and operates with a voltage as low as 2.5V. This op amp supply is produced by the five diodes, which are biased by RZ and the input supply voltage as shown in the table.

Figure 1. This simple load-current monitor produces a proportional signal voltage VO.

Figure 1. This simple load-current monitor produces a proportional signal voltage VO.