Overview
Product Details
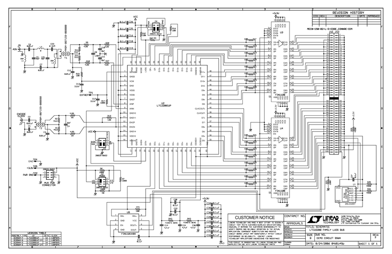
DC996B-J - Demo Board for the LTC2215 16-Bit, 65Msps Low Noise ADC.
Applicable Parts
Documentation & Resources
-
DC996 - Schematic5/22/2012PDF925K
-
DC996 - Demo Manual5/22/2012PDF1M
-
DC996 - Design Files5/22/2012ZIP4M
