Overview
Product Details
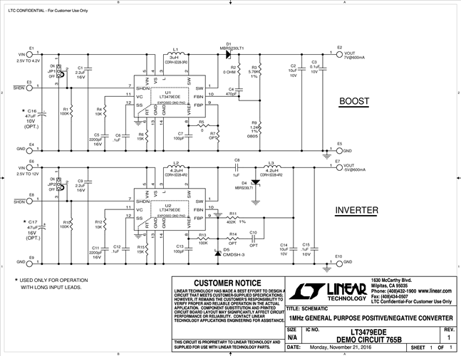
Demonstration circuit 765B is a general purpose 1MHz, positive and negative converters featuring the LT3479EDE. The demo circuit demonstrates small size and low component count in a boost circuit and an inverting circuit. The boost converter is set up to convert a 2.5V to 4.2V input to 7V output at 600mA. The inverting circuit generates a –5V output at 600mA from an input of 2.5V to 12V.
Applicable Parts
Documentation & Resources
-
DC765B - Schematic2/9/2017PDF29K
-
DC765B - Demo Manual2/9/2017PDF264K
-
DC765B - Design Files2/9/2017ZIP787K





