Overview
Product Details
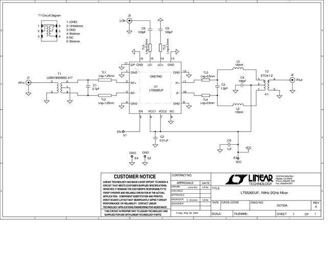
DC753A: Demo Board for the LT5526 High Linearity, Low Power Downconverting Mixer.
Applicable Parts
Documentation & Resources
-
DC753A - Schematic9/24/2009PDF23K
-
DC753A - Demo Manual9/24/2009PDF119K
-
DC753A - Design File9/24/2009ZIP410K
