Overview
Product Details
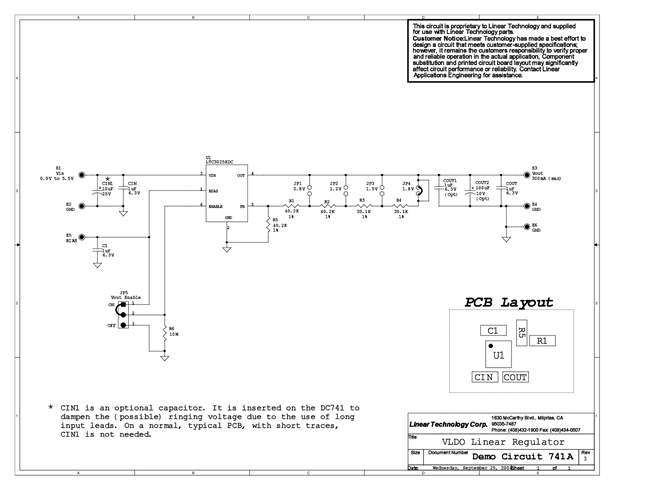
Demonstration circuit 741 is an ultralow dropout voltage supply using the 300mA output current LTC3025 linear regulator in the small 2mm x 2mm 6-Pin DFN package. The DC741 has an input voltage range from 0.9V to 5.5V and a jumper-selectable output voltage of 0.8V, 1.2V, 1.5V, 1.8V or a user-defined value between 0.4V and 3.6V.
The 0.4V reference of the LTC3025 allows the DC741 to supply power to very low voltage applications. The DC741 is also an excellent choice for post-regulation of step-down switching regulators, creating a high efficiency low-noise supply. The DC741 comes assembled with small ceramic capacitors, showing the LTC3025's ability to maintain stability with ceramic output capacitors.
Applicable Parts
Documentation & Resources
-
DC741A - Schematic9/24/2009PDF126K
-
DC741A - Demo Manual9/24/2009PDF382K
-
DC741A - Design File9/24/2009ZIP699K
