Overview
Product Details
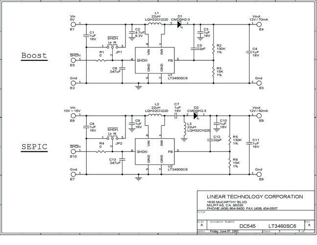
Demonstration circuit 545 features the LT3460, step-up DC/DC converter with 1.3MHz constant frequency in a SC70 package. There are two switching regulator circuits in DC545. The 12V output boost converter (upper circuit) is designed to convert 5V input to 12V output at 70mA of load current and the SEPIC converter (lower circuit) is designed to convert 10V ~ 16V input to 12V at 50mA.
Applicable Parts
Documentation & Resources
-
DC545A - Schematic9/24/2009PDF53K
-
DC545A - Demo Manual9/24/2009PDF187K
-
DC545A - Design File9/24/2009ZIP350K
