Overview

Product Details

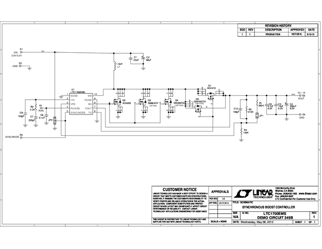
Demonstration Circuit DC349B demonstrates a synchronous step-up DC/DC converter using the LTC1700 controller. The LTC1700 is a current mode No RSENSE™ synchronous step-up controller with up to 95% efficiency. Applications include 2.5V to 3.3V or 5V converters, 2.5V to 5V converters, single cell Li-Ion to 5V applications or two cell AA to 3.3V or 5V applications. The LTC1700’s 550kHz operating frequency allows the use of small inductors and capacitors. The device can also be synchronized to frequencies between 400kHz to 750kHz. The DC349B provides output voltages of 3.3V or 5V (jumper selectable).

Applicable Parts

Documentation & Resources

  • View All (3)
  • Demo Board Schematic (1)
  • User Guide (1)
  • Evaluation Design File (1)