Overview
Product Details
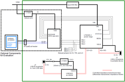
Demonstration circuit 2688A is a USB charger designed to power the 5V USB VBUS rail with up to 3A from an input voltage as high as 42V. The DC2688A circuit features the LT8698S/LT8698S-1, which is a compact, high efficiency, high speed synchronous monolithic step-down switching regulator which features the second-generation Silent Switcher® technology that minimizes EMI and reduces PCB layout sensitivity. The LT8698S/LT8698S-1 supports a wide variety of portable device charger profiles including USB BC 1.2 CDP, DCP, and SDP as well as common proprietary charger profiles, all of which can be easily evaluated using the DC2688A demo board. The LT8698S/LT8698S-1 also features high speed USB 2.0 compliant data line switches, robust data line protection, and programmable cable drop compensation which maintains accurate 5V VBUS regulation even when USB sockets are separated from the LT8698S/LT8698S-1 by a long cable. These features make the LT8698S/LT8698S-1 well suited for automotive USB host applications.
There are two assembly versions. The DC2688A-A features the LT8698S, while the DC2688A-B features the LT8698S-1. The difference is that the LT8698S includes VIN hot loop capacitors inside the IC package for improved EMI/EMC performance, while the LT8698S-1 does not include these capacitors.
Applicable Parts
Documentation & Resources
-
DC2688A - Demo Manual (Rev. 0)3/4/2021PDF2 M



