Overview
Product Details
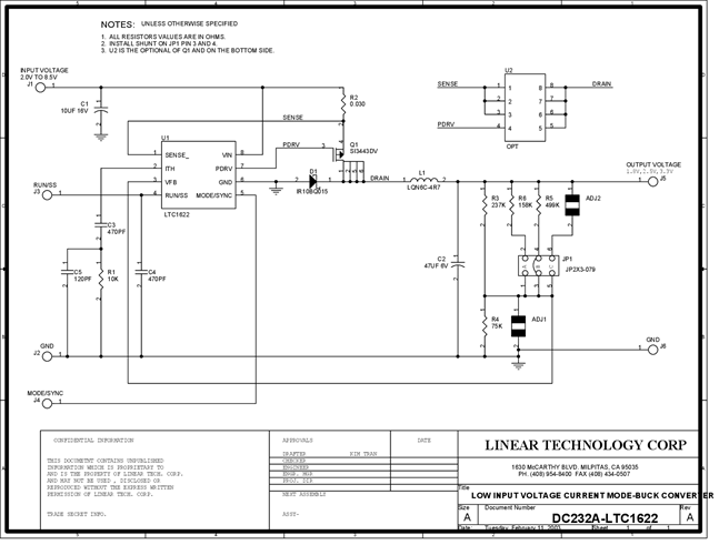
DC232A: Demo Board for the LTC1622 Low Input Voltage Current Mode Step-Down DC/DC Controller.
Applicable Parts
Documentation & Resources
- 
                                                                
                                                                    
                                                                                                                                            DC232A - Schematic9/24/2009PDF82K
- 
                                                                
                                                                    
                                                                                                                                            DC232A - Demo Manual9/24/2009PDF298K
- 
                                                                
                                                                    
                                                                                                                                            DC232A - Design File9/24/2009ZIP669K
 
                             
                         
                         
                                                