Overview
Product Details
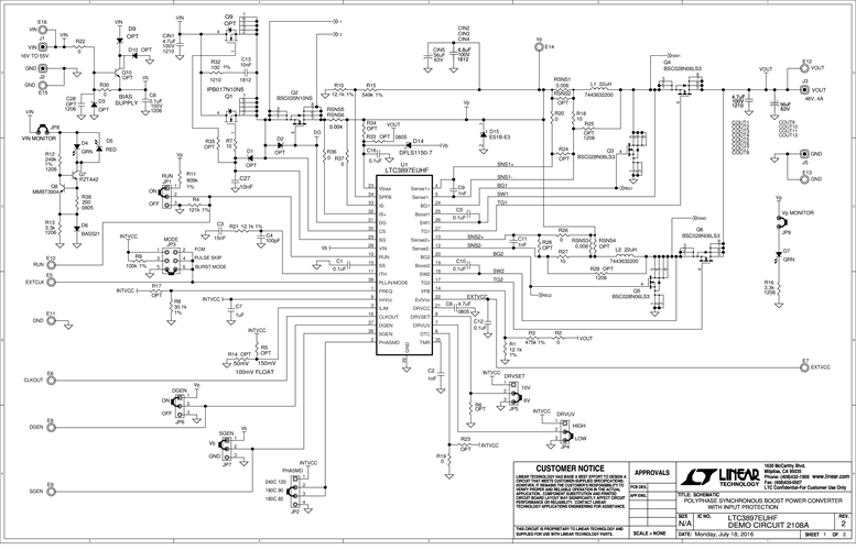
Demonstration circuit DC2108 is DC/DC boost converter featuring the LTC3897 constant frequency current mode boost controller. The DC2108A operates over a 16V to 55V input and provides 4A to 12A of output current as shown in Figure 3. The 160kHz (2 •160kHz at the output) constant frequency operation results in a small and efficient circuit. The converter provides high output voltage accuracy (typically ±3%) over a wide load range with no minimum load requirement. The demonstration circuit can be easily modified to generate different output voltages.
Applicable Parts
Documentation & Resources
-
DC2108A - Schematic11/30/2016PDF64K
-
DC2108A - Demo Manual11/30/2016PDF479K
-
DC2108A - Design Files11/30/2016ZIP4M



