Overview
Product Details
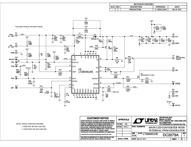
Demonstration circuit 2079A is a Boost LED driver featuring the LT3954. The LT3954 is a multitopology 40VIN/40VOUT LED driver with an internal device 40V, 5.4A power switch. It generates its own PWMOUT waveform from its internal PWM generator for accurate PWM dimming with up to 33:1 brightness ratio. The demo circuit accepts an input voltage from 5V to 30V and drives up to 32V of LEDs at 650mA (when PVIN is less than VLED). DC2079A features both PWM and analog dimming of the LED string. It has an OPENLED flag that indicates when the LED string has been removed.
Markets and Technologies
Applicable Parts
Documentation & Resources
-
DC2079A - Schematic5/30/2013PDF72K
-
DC2079A - Demo Manual4/30/2013PDF247K
-
DC2079A - Design Files5/30/2013ZIP2M




