Overview
Product Details
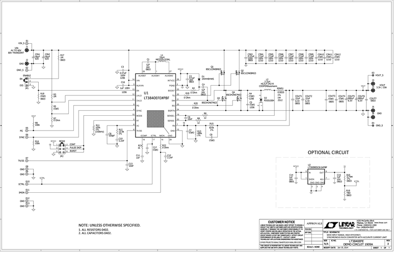
Demonstration circuit 1909A is a 150kHz, 60V current mode DC/DC step-down converter with accurate current limit featuring the LT3840. The circuit operates from a VIN range of 4.5V to 60V, survives an 80V transient, and outputs 3.3V at 20A (66W). An integrated buck-boost switching regulator generates a 7.5V bias supply voltage for MOSFET gate drive and IC power to increase the overall efficiency by reducing the power loss. A soft-start feature controls the output voltage slew rate at start-up, reducing current surges and voltage overshoots. The modes of operation (Burst Mode®, discontinuous current mode and continuous current mode) are jumper selectable.
Applicable Parts
Documentation & Resources
-
DC1909A - Schematic6/24/2014PDF91K
-
DC1909A - Demo Manual6/24/2014PDF371K
-
DC1909A - Design Files6/24/2014ZIP2M




