Overview
Product Details
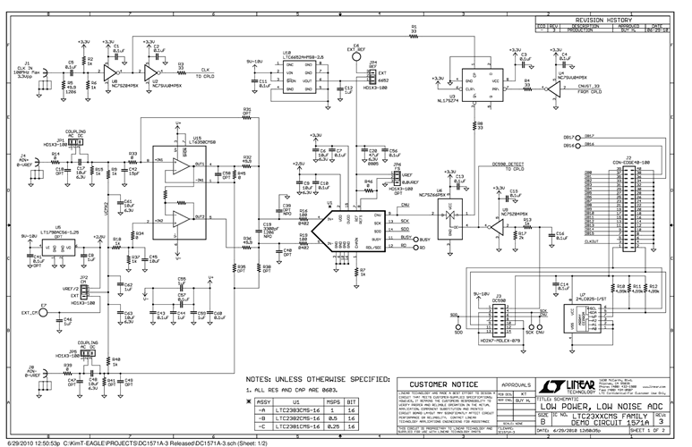
DC1571A-A: Demo Board for the LTC2383-16 16-Bit, 1Msps, Low Power SAR ADC with Serial Interface.
Applicable Parts
Documentation & Resources
- 
                                                                
                                                                    
                                                                                                                                            DC1571A - Schematic7/22/2010PDF899K
- 
                                                                
                                                                    
                                                                                                                                            DC1571A - Demo Manual10/4/2010PDF3M
- 
                                                                
                                                                    
                                                                                                                                            DC1571A - Design Files7/22/2010ZIP5M
 
                             
                         
                         
                                                