Overview
Product Details
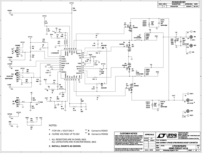
Demonstration circuit DC1411 is DC/DC boost converter featuring the LTC3787 constant frequency current mode boost controller. The DC1411A operates over 5V to 24V input and provides 6A to 16A of output current. The 350kHz constant frequency operation results in small and efficient circuit. The converter provides high output voltage accuracy (typically ±3%) over wide load range with no minimum load requirement. The demonstration circuit can be easily modified to generate different output voltages.
Applicable Parts
Documentation & Resources
-
DC1411A - Schematic7/19/2013PDF66K
-
DC1411A - Demo Manual7/18/2013PDF672K
-
DC1411A - Design Files7/19/2013ZIP1M






