Overview
Product Details
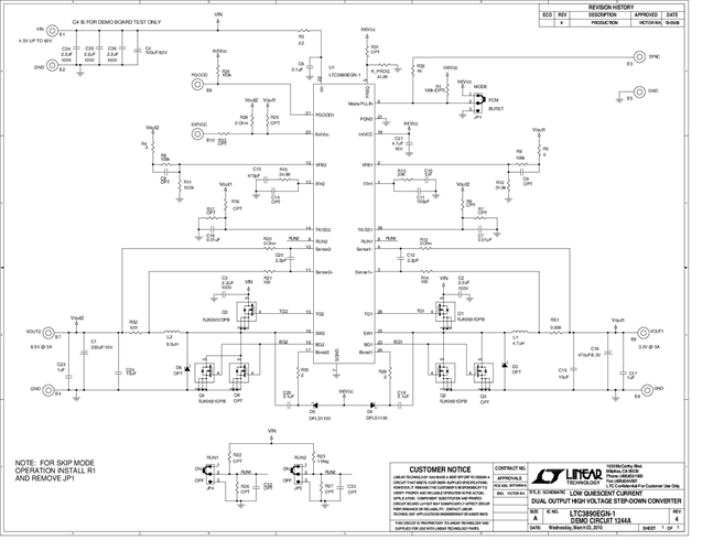
Demonstration circuit 1244 is a Low Quiescent Current, Dual Output Synchronous Buck Converter featuring the LTC3890EGN-1. DC1244 converts a 4.5V to 60V voltage source to 3.3V at 5.0A and 8.5V at 3.0A. When the input voltage is close to or below 9V, the 8.5V output enters dropout mode.The "-1" version has a fixed current limit and current foldback. See data sheet for other differences.
Applicable Parts
Documentation & Resources
-
DC1244A - Schematic3/23/2010PDF42K
-
DC1244A - Demo Manual3/23/2010PDF732K
-
DC1244A - Design Files3/23/2010ZIP1M
