Overview
Product Details
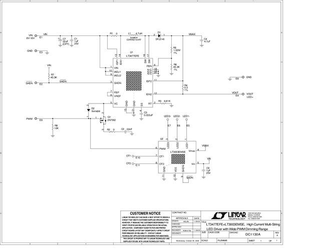
DC1130A: Demo Board for the LT3477 3A, DC/DC Converter with Dual Rail-to-Rail Current Sense.
Applicable Parts
Documentation & Resources
-
DC1130A - Schematic9/24/2009PDF29K
-
DC1130A - Demo Manual9/24/2009PDF462K
-
DC1130A - Design File9/24/2009ZIP623K
