两级方式实现高电压
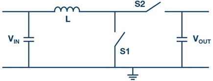
如果需要从低电压生成高电压,可采用升压转换器。它是三种基本开关稳压器拓扑中的一种,仅需两个开关、一个电感以及输入和输出电容。除了升压转换器以外,其他基本拓扑结构还包括降压转换器和反相降压-升压转换器。图 1 显示了升压转换器的原理图。在导通期间,开关 S1 闭合,电能存储在线圈 L 中。电感电流随输入电压与地电位之间的差值线性增加;也就是说,随输入电压而增加。在关断期间,当 S1 开启且 S2 闭合时,存储在电感中的电能提供至输出端。电感两端的电压在此时间段内等于输出电压减去输入电压。

图 1. 用于从低电压生成高电压的升压拓扑。
要使这种相互作用生效,必须具有足够的时间供电感充电和放电。通过控制环路时,可以进行如下想象:当输出端需要更多电能时,必须从输入端获取更多的电能传送至输出端。因此,必须有更多的电能临时存储在电感中。开关 S1 也需要更长的导通时间。然而,对固定开关频率而言,这导致可用于从电感获得电能的关断时间更短。因此,输出电压降至设定目标值以下。这对升压拓扑来说尤其是一种限制。采用该拓扑,输出电压超出可用输入电压的水平受到限制。在典型应用中,这一最大升压因数介于 3 至 7 之间。
图 2 所示的曲线说明了最大可能升压因数与对应占空比之间的典型关系。具体曲线依据升压转换器输出端的负载电阻与电感的直流电阻之间的关系而变化。图 2 所示的示意图选用的负载电阻为 100 Ω。对于 48 V 的输出电压而言,这相当于 480 mA 的负载电流。当电感的串联电阻 (DCR) 对应 2 Ω 时,可能实现的最大升压因数只比 3 略高一点。当 DCR 为 1 Ω 时,可实现的升压因数略高于 5。如果需要更高的升压因数,必须选择具有最低串联电阻值的电感。

图 2. 最大可能升压因数取决于电感电阻 DCR (直流电阻)。
如果应用中需要更高的升压因数,那么两级式概念也是一种选择。ADI 公司的新型 LTC7840 在单芯片中包含两个升压控制器,可轻松实现两级式升压概念。图 3 显示了一个从 12 V 电源电压升压至 240 V 输出电压的例子。两个升压级可分步提升电压,使每一级仅需将电压提升 4.5 倍左右。

图 3. 用于从低输入电压生成极高输出电压的两级式概念。
结论
本文介绍了一个两级式概念,它可实现比单级式概念高得多的升压因数。当然,也可选择基于变压器的拓扑以显著提高输入电压。例如,反激式转换器就是一种常见拓扑。但是,如果无需电流隔离,两级式升压概念与反激式转换器相比则具有一些优势。它无需又大又贵的变压器,因为开关频率不再受限于变压器磁芯中的损耗,并且电源负载是连续负载而非脉冲负载。因此,在许多应用的选择过程中应考虑两级式升压概念。