简化电源测试的SPST双极性功率开关

2008-01-18

Figure 1

   

摘要

本应用笔记介绍了一种独立的隔离SPST (单刀/单掷)双极性电源开关,用于产生200A、75V瞬变信号。该开关能够用来测试电源或电源IC,用于高速电路的测试,开关的通、断时间可以达到纳秒级。

引言

处理必要的大电流和脉冲电压。这样的开关必需能够连接各种拓扑结构的电路,具体取决于被测电源的类型及其应用。

有些情况下,可以采用商业化的测试负载或开发一套测试流程。如果开关的一侧连接在电源的公共端,测试过程将相对简单。否则,就必须设计开关驱动器,使设计变得复杂。一个足够灵活、能够支持电源瞬态故障测试的开关将是一个非常有用的测试工具。综上所述,可以归纳出对这种开关的要求,包括最大额定电压和额定电流,用来测试目前市场上多数中等功率的电源。

这种开关应该能够处理100A的电流,承受至少75V的开路电压。开关需要在两个方向满足电流、电压的要求,因为一些测试会产生电流振铃,有些电源电路需要双极性输出。开关的通、断速度应该保持在几十纳秒以内,以便观察电路的瞬态响应。开关的串联电阻必须足够低,串联电感也必须非常低,这意味着需要采用紧凑的物理结构和非常短的电流路径。此外,还要求开关提供电气隔离,具有非常低的输出对地电容。总之,对于开关的基本要求是当开关连接到电路时不会电路的性能和响应。

电路说明

图1所示开关设计满足上述多项指标的要求,它通过一个数字隔离耦合器实现,该耦合器的端到端电容小于1pf。总传输延时为80ns,输出上升时间接近40ns。输出级由两个低RDSON的MOSFET构成,能够处理双极性200A、75V的电源瞬变。

开关元件(两个反向连接的输出MOSFET)具有7mΩ导通电阻和25nH导通电感。导通状态下,对于双向电流(包括零点)表现为线性电阻,类似于导线连接,不会引入谐波失真。

图1. 该电路利用5V逻辑信号控制独立的(隔离)功率开关Q1–Q2,能够处理200A、75V的脉冲信号。

图1. 该电路利用5V逻辑信号控制独立的(隔离)功率开关Q1–Q2,能够处理200A、75V的脉冲信号。

对于吸收电流大于50A的小阻值负载,开关上升时间(定义为瞬间导通)由导通电感决定。电流较低时,上升时间小于40ns,下降时间(瞬间关断)主要由负载阻抗决定。

电路隔离侧(开关)的电源由一组3节3V锂离子原电池串联而成(CR2025锂锰电池)。对于几kHz的开关频率,标称值为170mAh的这种电池能够连续使用一个多月。对于常见的测试平台,电池的使用寿命大概为3个月(左侧始终连接)。

输入为0V至5V的数字信号,只要求上升沿和下降沿时间小于20ns,最小脉宽为50ns (通或断)。传导电流小于18A时,开关处于不确定的通或断状态。

图1中,IC1和IC2构成边沿检测电路,在T1原边的一端施加窄脉冲,极性取决于输入沿,另一侧保持低电平。T1副边连接了一个同相逻辑缓冲器(输入到输出),由IC3双通道低边功率MOSFET驱动器中的一个通道构成。这个缓冲器如同一个双稳态电路(即触发器),当T1原边作用正脉冲时置位,作用负脉冲时复位。双稳态电路输出相当于电路输入(作用在边沿检测电路的数字输入)的拷贝。

IC3的另一半和IC4的两路驱动器并联,其输入连接至双稳态输出,利用并联输出驱动两个反向连接的低RDSON MOSFET (IRFB3077)的栅极,两个MOSFET的漏极接外部电源,两个栅极和两个源极分别接在一起。三个驱动器并联后可有效提高功率MOSFET的开关速度,因为IC2–IC3均分电流,每个驱动器可提供4A的峰值电流,并联后总电流可以达到12A,MOSFET源极接电池负极。

MAX5048的输入逻辑简化了边沿检测电路的设计,MAX5054的低静态电流有助于延长电池的使用寿命。因此,本设计中使用了类似但不相同的IC,分别用于低边(控制和隔离,IC1、IC2)和高边(功率驱动,IC3、IC4)驱动。

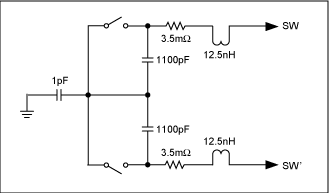
图2给出了电源开关的等效电路,包括主要的寄生元件。对于整个供电电路,开关能够承受的连续功率取决于散热器。散热器会显著增大寄生输出电容,本设计中没有包括散热器。处理200A脉冲电流时需要一些补充条件,必须将脉冲宽度限制在8ms以内,开关占空比限制在0.5%以内。对于80A的瞬态信号,脉冲时间不受限制,持续时间较长(达到50ms),但占空比不得超过3%。

图2. 该功率开关电路是图1电路的等效架构,包含了主要寄生元件。

图2. 该功率开关电路是图1电路的等效架构,包含了主要寄生元件。

室温下切换一个未经箝位的电感时,电路能够吸收的能量是280mJ (单个脉冲,不重复出现)或200mJ (最大占空比为1%的脉冲)。

耦合变压器设计要求小尺寸、低绕线电容:原边一匝、副边两匝,绕制在Fair-Rite 2643000801 7.5 × 7.5m的铁氧体磁珠。变压器结构决定了开关负载和开关控制电路两侧的最大压差。使用普通的漆包线绝缘架构时,可以提供1kV隔离,如果使用聚四氟乙烯或质量更好的绝缘材料,则可提供1kV以上的隔离。对于要求更高隔离电压的设计,还需考虑封装。

T1的铁氧体磁芯为导体,不能在同一时刻连接到开关两侧,开关内部没有闭锁保护,操作之前必须检验锂电池的状态。上电后没有电路能够保证开关处于确定的状态(通或断)。因此,在接通其它电源之前必须先打开开关电源。开关状态由最先作用到输入端的瞬态决定,在给其它部分供电时至少使开关通、断一次。

测试电路

图3–图5中顶部波形为数字输入,底部波形是通过一个0.25Ω电阻负载观察到的5µs脉冲波形,负载通过开关接50V电源。因为电压波形作用在一个低电感薄膜电阻,可近似表示开关的电流波形。图3所示近似200A的脉冲波形给出了过冲和上升时间(60ns至80ns),上升时间受高边电流通道寄生电感、电容的影响。图4给出了该脉冲的上升时间和导通延时;图5给出了下降时间和断开时的传输延时。图6–图8给出了同样的波形,负载为5Ω,10A脉冲,电源电压为50V。上升时延接近于MOSFET固有的30ns至40ns的上升时延,受封装和源阻抗的限制。

图3. 图1测试结果,(1) 控制信号,(2) 在0.25Ω电阻两端测试的5µs脉冲,电源电压为50V。

图3. 图1测试结果,(1) 控制信号,(2) 在0.25Ω电阻两端测试的5µs脉冲,电源电压为50V。

图4. 基于图2的上升时间和导通传输延时,扫描速率为40ns/cm。

图4. 基于图2的上升时间和导通传输延时,扫描速率为40ns/cm。

图5. 基于图2的下降时间和关断传输延时,扫描速率为40ns/cm。

图5. 基于图2的下降时间和关断传输延时,扫描速率为40ns/cm。

图6. 图1测试结果,(1) 控制信号,(2) 在5Ω电阻两端测试的5µs脉冲,电源电压为50V。

图6. 图1测试结果,(1) 控制信号,(2) 在5Ω电阻两端测试的5µs脉冲,电源电压为50V。

图7. 基于图6的上升时间和导通传输延时,扫描速率为40ns/cm。

图7. 基于图6的上升时间和导通传输延时,扫描速率为40ns/cm。

图8. 基于图6的下降时间和关断传输延时,扫描速率为40ns/cm。

图8. 基于图6的下降时间和关断传输延时,扫描速率为40ns/cm。

结论

本应用笔记介绍了一种SPST双极性电源开关的设计,用于电源测试。开关瞬变时能够承受较高的电流和电压,适用于当前市场上中等功率电源的测试。该电路可处理正、负极性的75V、200A瞬态信号;通、断时间在10纳秒以内;具有低等效电阻和低等效电感;能够以极低的输出对地电容提供浪涌隔离。

类似文章发表于Power Electronics Technology,2007年2月。



添加至 myAnalog

将文章添加到 myAnalog 的资源部分、现有项目或新项目。

创建新项目

关联至此文章

产品

产品分类
最新视频 21
Title
Subtitle
了解更多
添加至 myAnalog

将文章添加到 myAnalog 的资源部分、现有项目或新项目。

创建新项目