MAX2640低噪声放大器(LNA)的S参数测量和稳定性分析

2006-02-21

Figure 1

   

摘要

MAX2640低噪声放大器(LNA)的稳定性分析可以通过对S参数的测量来实现。多个测试实例证实了所测量S参数数据的正确性,而且该器件在高达5GHz时是稳定的。该应用笔记推荐了VCC引线所需电感,以确保器件达到最佳稳定性,并总结了MAX2640低噪声放大器(LNA)应用于315MHz的汽车无线门禁系统时的性能以及匹配网络。

概述

该笔记中,我们对MAX2640低噪声放大器(LNA)进行了S参数测量,并利用所测数据进行了稳定性分析。当我们将该低噪声放大器(LNA)匹配到315MHz工作时,所测量的S参数是正确的。分析结果表明,该器件在高达5GHz时能够无条件地达到稳定。最后,我们将推荐VCC引线所需电感,使器件稳定性达到最佳。

MAX2640低噪声放大器(LNA)工作在315MHz时的性能

该器件在315MHz的工作性能如表1所示。频率特性曲线如图1所示。

表1. MAX2640性能概述.
Parameter Customer Target MAX2640
ICC (mA) < 2 3.5
Gain (dB) > 13 17.4
Noise Figure (dB) < 2 1.4
Input P1dB (dBm) Not specified -26
Input IP3 (dBm) -10 -17.25
S11 (dB) Not Specified -10.5
S22 (dB) Not Specified -19.3
(f = 315MHz, VCC = 3V)
Note: Input Power = -30dBm per tone

图1. MAX2640 LNA应用于315MHz时的频率特性

图1. MAX2640 LNA应用于315MHz时的频率特性

S参数测量

测试环境的建立


对MAX2640进行S参数测量时使用了两套评估(EV)板和一个网络分析仪(HP8753D)。将第一套评估板(kit #1)的IC去掉用于校准,利用第二套评估板(kit #2)进行实际测量,该套评估板保留了IC,但无匹配元件。

  1. 对双口网络进行了完整的校准操作,校准范围包括与网络分析仪相连接的电缆。
  2. 当我们测量第二套评估板(kit #2)上不带匹配元件时IC的S参数时,将短接线放置到了第一套评估板(kit #1)上MAX2640输入和输出引脚的焊接位置。(参见图2)
  3. 调整网络分析仪的端口延时,使315MHz时输入端和输出端的阻抗都尽可能接近于短路状态。此时,我们就可以利用该校准在第二套评估板(kit #2)上的MAX2640器件引脚处进行S参数测量。
  4. 然后修改第一套评估板(kit #1),将上面的短接线移置到上次匹配元件的放置点。再一次调整网络分析仪的端口延时,使315MHz时输入端和输出端的阻抗都尽可能接近短路状态。
  5. 接着将匹配元件放回到第二套评估板(kit #2)上,对评估板上带有匹配元件的IC进行S参数测量。
  6. 为了证实仅测试IC时(上述步骤3) S参数的正确性,将所测得的S参数导入ADS (微波仿真软件),并在所建模型中加入匹配元件和传输线。同时为了模拟板上存在的寄生效应,在模型的输入引脚和输出引脚加一只0.5pF电容。(见附录中图18的ADS仿真图。) 然后将所建立模型的仿真性能曲线与评估板上带有匹配元件时所测得的IC S参数(上述步骤5)进行比较。

图2. 用于MAX2640的S参数测量的校准电路

图2. 用于MAX2640的S参数测量的校准电路

测试结果

图3至图8曲线标注定义如下:

  • MAX2640_Epcos_1GHz_simulation:只对工作台上不带匹配元件的IC进行了测量,利用所测得的S参数进行仿真,并在ADS的仿真模型中加入了匹配元件。
  • MAX2640_Epcos_1GHz_bench:在评估板上加入了匹配元件后再对IC进行S参数测量。

图3. 仿真和性能测试S11 (dB)的比较

图3. 仿真和性能测试S11 (dB)的比较

图4. 仿真和性能测试S11 (相位)的比较

图4. 仿真和性能测试S11 (相位)的比较

图5. 仿真和性能测试S22 (dB)的比较

图5. 仿真和性能测试S22 (dB)的比较

图6. 仿真和性能测试S22 (相位)的比较

图6. 仿真和性能测试S22 (相位)的比较.

图7. 仿真和性能测试S21 (dB)的比较

图7. 仿真和性能测试S21 (dB)的比较

图8. 仿真和性能测试S21 (相位)的比较

图8. 仿真和性能测试S21 (相位)的比较

上述数据表明所进行的两个测试中,幅值和相位性能都非常接近。除去微小的频率偏移,仿真结果(利用不带匹配元件的IC的测试S参数建立模型,并在ADS模型中加入匹配元件后对模拟工作台进行仿真测量)非常接近于实际性能测试(在评估板上加入匹配元件后,对实际性能进行测试)。所以可以得到这样的结论:对MAX2640进行测量所得的S参数是可靠的,可用于仿真和稳定性分析。

注:评估板上加入匹配元件后进行测试时,不能测试参数S12。因为信号的幅值很低,导致网络分析仪不能精确测量。所以上面的图表中没有S12的幅值和相位曲线。

稳定性分析

为了进行MAX2640的稳定性分析,我们按照上述同样的步骤对100MHz到5GHz之间的S参数进行了测量。包括如下三个测试实例:第一,MAX2640的VCC引脚和去耦电容之间存在9mm长的传输线;第二,电容尽可能的靠近VCC引脚放置;第三,电容放置在相距VCC引脚5mm处。

第一个测试实例

我们将去耦电容放置在了距离MAX2640的VCC引脚9mm远处。传输线宽度是42mil。这是一个具有50Ω受控阻抗的四层电路板,介质材料是FR4,1oz覆铜,介电常数约为4.5。顶层和内部地层(第二层)之间的介质厚度是24mil。利用这些信息可以仿真得到VCC引脚处的电感值,在315MHz时仿真结果大约为j5.5Ω,相当于2.5nH电感。图9显示了只针对IC进行的稳定性测试、稳定系数、源端稳定系数和负载端稳定系数。图10是源端稳定性圆图和负载端稳定性圆图。

图9. 第一个测试实例的稳定性测试、稳定系数、源端稳定系数和负载端稳定系数

图9. 第一个测试实例的稳定性测试、稳定系数、源端稳定系数和负载端稳定系数

图10. 第一个测试实例的源端稳定性圆图和负载端稳定性圆图

图10. 第一个测试实例的源端稳定性圆图和负载端稳定性圆图

第二个测试实例

在该实例中,电容尽可能靠近VCC引脚放置。此时,传输线的宽度是40mil,315MHz时感应系数值大约为j0.6Ω,相当于0.3nH电感。下图11显示了稳定性测试、稳定系数、源端稳定系数和负载端稳定系数。图12表示的是源端稳定性圆图和负载端稳定性圆图。

图11. 第二个测试实例的稳定性测试、稳定系数、源端稳定系数和负载端稳定系数

图11. 第二个测试实例的稳定性测试、稳定系数、源端稳定系数和负载端稳定系数

图12. 第二个测试实例的源端稳定性圆图和负载端稳定性圆图

图12. 第二个测试实例的源端稳定性圆图和负载端稳定性圆图

第三个测试实例

现在我们将去耦电容放置在相距MAX2640的VCC引脚5mm远处。传输线宽度是42mil,315MHz时大约为j3Ω,相当于1.5nH电感。图13显示了只针对IC进行的稳定性测试、稳定系数、源端稳定系数和负载端稳定系数。

图13. 第三个测试实例的稳定性测试、稳定系数、源端稳定系数和负载端稳定系数

图13. 第三个测试实例的稳定性测试、稳定系数、源端稳定系数和负载端稳定系数

由图13可知,在整个测试频率范围内,三个测试实例的稳定性系数均大于1。符合无条件稳定要求。而且,稳定性圆图在整个测试频率范围内也都在史密斯圆图的外部。

第一个测试实例的数据表明,在2.5GHz到4.5GHz的频率范围内,稳定性系数绝对大于1,但是在5GHz时接近于1。这表明MAX2640在5GHz以上时是有条件地稳定的。但是第二个测试实例的稳定性系数却是在2.5GHz到4.5GHz的频率范围内接近于1,而在5GHz时绝对大于1。这意味着该测试条件下的MAX2640器件在2.5GHz到4.5GHz的频率范围内是有条件稳定的。在第三个测试实例中,我们将电容放置在了与VCC引脚相距5mm远处。所测得的稳定性系数在2.5GHz到4.5GHz的频率范围内绝对大于1,在5GHz时也比1大很多。

通过以上分析,我们可以得出结论:为了保证器件的稳定性,去耦电容的最佳放置位置是距VCC引脚4mm到5mm处。

原理图和匹配网络

综上所述,我们使用一台标准的网络分析仪(HP8753D)对315MHz时MAX2640低噪声放大器(LNA)的输入/输出端进行了S参数测量,并通过反复的仿真和测量确定了最佳阻抗匹配电路。该器件在315MHz时的性能和所需匹配适用于汽车无线门禁系统。为了得到最好的增益和噪声系数,对匹配进行优化,最优阻抗匹配电路如图14和图15所示。

图14.  MAX2640工作在315MHz时的评估板原理图

图14. MAX2640工作在315MHz时的评估板原理图


MAX2640 低噪声放大器(LNA)的材料清单.
DESIGNATION QTY DESCRIPTION
Z1 1 100nH inductor (0603)
Coilcraft 0603CS-R10XJBC
C1 1 1500pF ceramic cap (0603)
Murata GRM188R71H152KA01B
C2 1 150pF 5% ceramic cap (0603) MurataGRM1885C1H151JA01
C3 1 10µF ceramic cap (1206)
AVX TAJA106D010R
C4 1 470pF 5% ceramic cap (0805)
Murata GRM40COG471J50V
C5 1 2.2pF 5% ceramic cap (0805)
Murata GRM40COG022D50V
C6 1 5pF 5% ceramic cap (0805)
Murata GRM40COG050D50V

图15. 低噪声放大器(LNA)工作在315MHz时输入端与输出端的匹配网络

图15. 低噪声放大器(LNA)工作在315MHz时输入端与输出端的匹配网络

下面是低噪声放大器(LNA)增益和三阶输入交调截取点(IIP3)的测量环境的建立(见图16)。

  1. 利用标准的双音互调对三阶输入交调截取点(IIP3)进行测试。
  2. 将两个射频信号发生器通过一个功率合成器连接到低噪声放大器(LNA)的输入端。
  3. 设置第一台信号发生器(HP8648B)使其产生314.5MHz的信号,使第二台信号发生器(HP8648B)产生315.5MHz的信号(相距1MHz),双音测量均在-30dBm功率下产生。
  4. 利用一台频谱分析仪(Agilent 8562EC)来测量增益以及低噪声放大器(LNA)输出端所需音频和三阶交调失真之间的差异。
  5. 我们利用这些测量结果以及每一音调的输入功率就可以找到低噪声放大器(LNA)的三阶输入交调截取点(IIP3)。

图16. 低噪声放大器(LNA)增益和三阶输入交调截取点(IIP3)的测量装置

图16. 低噪声放大器(LNA)增益和三阶输入交调截取点(IIP3)的测量装置

噪声系数测量环境的建立

利用一台噪声系数分析仪(Agilent N8973A)和噪声源(HP346A)进行低噪声放大器(LNA)噪声系数的测试。测试框图如下图17所示。

图17. 噪声系数测量装置

图17. 噪声系数测量装置

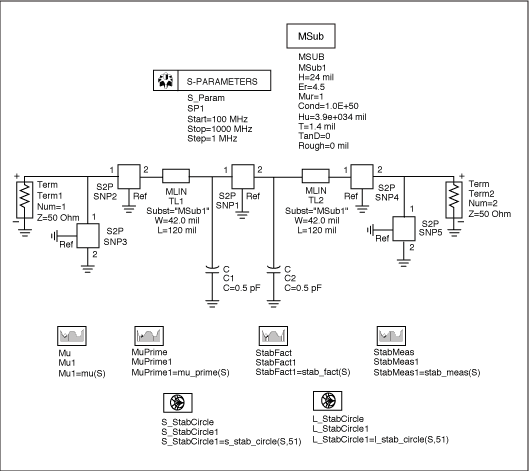
附录:ADS仿真原理图

图18. ADS仿真

图18. ADS仿真



添加至 myAnalog

将文章添加到 myAnalog 的资源部分、现有项目或新项目。

创建新项目

关联至此文章

产品

产品分类
最新视频 21
Title
Subtitle
了解更多
添加至 myAnalog

将文章添加到 myAnalog 的资源部分、现有项目或新项目。

创建新项目