摘要
The MAX2682 miniature, low-cost, low-noise downconverter is designed for low-voltage operation and is ideal for use in portable communications equipment. Signals at the RF input port are mixed with signals at the local oscillator (LO) port using a double-balanced mixer. This downconverter operates with RF input frequencies between 400MHz and 2500MHz, and downconverts to IF output frequencies between 10MHz and 500MHz
Additional Information:
- Wireless Product Line Page
- MAX2680/MAX2681/MAX2682
- The MAX2140 Complete SDARS Receiver
- The MAX2472/MAX2473 500MHz to 2500MHz VCO Buffer Amplifiers
- Applications Technical Support
This application note presents measured performance for the MAX2682 low noise downconverter when it is tuned for a satellite receiver system. The radio frequency (RF) is 2642.5MHz, and the intermediate frequency (IF) is 402.5MHz. High side injection is used, placing the local oscillator (LO) at 3.045GHz. Return loss for each port is given, along with a table of gain and noise figure. With – 5dBm LO drive level, the gain is 6.56dB and the noise figure is 13.3dB.
MAX2682 Description
The MAX2682 is a miniature, low-cost, low-noise downconverter designed for low-voltage operation and is ideal for use in portable communications equipment. Signals at the RF input port are mixed with signals at the LO port using a double-balanced mixer. This downconverter operates with RF input frequencies between 400MHz and 2500MHz, and downconverts to IF output frequencies between 10MHz and 500MHz.
The MAX2682 downconverter operates from a single +2.7V to +5.5V supply, ideal for hand held applications. Each downconverter features a low-power shutdown mode in which it typically draws less than 0.1µA of supply current.
The MAX2682 downconverter is manufactured on a high-frequency, low-noise, advanced silicon-germanium process and is offered in the space-saving 6-pin SOT23 package.

Figure 1. Typical operating circuit (the values of matching components C2, L1, R1, Z1, Z2, and Z3 depend on the IF and RF frequency and downconverter).
The MAX2682 mixer has been retuned for the following parameters:
- RF = 2642.5MHz
- IF = 402.5MHz
- LO frequency = 3045MHz
- BW (bandwidth) = 25MHz
- 5Vcc = 3.3V
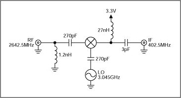
Figure 2 shows the matching networks used to make all measurements in this report.

Figure 2. Matching network for 2642.5MHz satellite radio.
Measured Performance

Figure 3. LO port return loss.

Figure 4. RF port return loss.

Figure 5. IF port return loss.

Figure 6. Return loss measurement set up.
Figure 7 shows very flat gain, down only 0.2dB at 12.5MHz band edge.

Figure 7. Gain flatness.
Isolation
LO – IF = 10.67dB
LO – RF = 16.67dB
Below is the raw data taken for the isolation measurement.
| LO IF Isolation | ||
| -5dBm | -15.67dBm | 10.67dB |
| LO RF Isolation | ||
| -5dBm | -21.67dBm | 16.67dB |

Figure 8. Test set up used for isolation measurement.
Table 1 below contains the noise figure data for the MAX2682 versus LO power level.
| LO
Power (dBm) |
Gain (dB) |
NF (dB) |
| 0 | 7.3 | 11.86 |
| -1 | 7.26 | 12.1 |
| -2 | 7.17 | 12.36 |
| -3 | 7.05 | 12.64 |
| -4 | 6.86 | 12.97 |
| -5 | 6.56 | 13.3 |
| -6 | 6.2 | 13.73 |

Figure 9. Noise figure test set up.
The signal generator used to provide the LO (3.045GHz) is the HP8638C.