PMBus-Compliant, Tightly Regulated, 1.80V, 2A Design for the Kintex Ultrascale FPGA
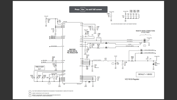
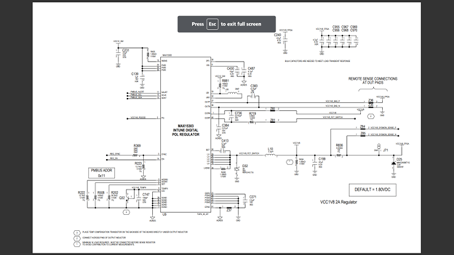
This reference design provides a power-supply circuit with an input voltage of 10.8V to 13.2V, an output voltage of 1.80V, and an output current of 2A using the MAX15303 InTune™ Point-of-Load (PoL) Controller. The circuit was developed to power a VCC1V8 rail on a Xilinx® Kintex® Ultrascale™ FPGA. Included in this reference design are a schematic, applications information, and a bill of materials.
- Design Specifications and Setup
- Input Voltage: 10.8V to 13.2V
- Output Voltage: 1.80V
- Output Current: 2A
- Output-Voltage Ripple: 20mV
- Switching Frequency: 600kHz
- Efficiency: 84% with VIN = 12V at 2A

Applications Information
This PoL regulator was chosen for this design due to its accuracy, small size, and ease of use. It uses the MAX15303 InTune automatically compensated regulator, which accepts a 12V input and generates a 1.8V output with 2A current capability.
The 600kHz switching frequency is set by resistor R223 (12.7kΩ). The output voltage is set by resistor R202 (26.1kΩ) between the SET pin and analog ground. The output voltage can be changed by adjusting R202. Refer to the Output Voltage Selection section of the MAX15303 data sheet. The output voltage, switching frequency, and current limit can also be monitored and programmed via a PMBus™ serial connection using Maxim Integrated’s PowerTool™ software. This gives the user the ability to margin their designs during operation.
InTune automatic compensation ensures stability while optimizing load-transient performance. This regulator has better than 1% load regulation at full load and excellent transient response.