摘要
该应用笔记讨论了鉴频鉴相器的指标对锁相环(PLL)死区及抖动性能的影响。在使用电荷泵环路滤波的PLL设计中,通过产生具有最小脉宽的鉴相输出脉冲,可以减轻PLL的死区效应和相关的锁相环抖动。
锁相环广泛用于电信行业,实现倍频、数据提取和时钟恢复。这些锁相环通常采用基于电荷泵的环路滤波。MAX9382就是这样一款鉴相/鉴频器,用于基于电荷泵的环路滤波架构。MAX9382的关键参数之一是确保最短脉冲宽度,以消除电荷泵环路滤波设计中通常出现的死区效应。
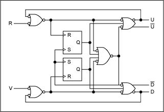
MAX9382把输入的相位差转换为可变脉宽的两路脉冲输出,这些输出为“上”、“下”端的脉冲信号,用来控制环路滤波电荷泵。当两个输入频率不同时,MAX9382如同一个鉴频器,其输出时间平均值是输入频率差的函数。这种转换大大改善了环路锁定带外信号的能力。图1给出了MAX9382的内部框图,图2给出了MAX9382输出平均(直流)电压值与输入相位差之间的函数关系。式1、式2和式3说明当输入频率相同时(环路锁定条件下)和输入频率不同时(环路失锁条件下)鉴相/鉴频器的传输函数。

图1. MAX9382鉴频/鉴相器

图2. MAX9382鉴频/鉴相器理想状态下的响应
基于电荷泵的环路滤波
图3给出了一个典型的电荷泵和无源环路滤波架构。这个架构利用开关选通匹配的电流源出和电流吸入,控制电流流入或流出环路滤波器。根据鉴相器输入的相差在“上”、“下”输出端产生不同脉宽的脉冲,使环路滤波器电压上升或下降。锁定条件下,鉴相器在电荷泵的两个输入产生一串相同脉宽(最小脉宽)的脉冲信号,式4和式5给出了电荷泵滤波器的传输函数和环路滤波网络的阻抗。

图3. 电荷泵和环路滤波器原理图
完整的锁相环(PLL)
图4给出了一个完整的锁相环框图,由鉴相器、电荷泵、环路滤波器、VCO和反馈分频器(需要时)构成。式6给出了基本的环路传输函数,式7为锁定条件下完整的环路传输函数。式1至式7是在不同环路元件下通过线性响应推导出来的公式,没有考虑鉴相器和电荷泵的取样特性。

图4. 锁相环的基本单元
PLL抖动和频率响应
消除死区效应
基于电荷泵架构锁相环的潜在缺点是:滤波器输入能够响应的最小脉冲宽度受限。锁相条件下,典型的鉴相器输出是“上”、“下”输出一串非常短的脉冲。如果这些脉冲对于环路滤波器来说太窄,将会产生零相位附近的环路死区效应。这种死区效应将导致相位偏移、增大锁相输出时钟的抖动。有些系统会特别引入一定的相位偏移,使鉴相器输出远离死锁区域。MAX9382通过定义适当的最短“上”、“下”输出脉冲避免死区效应。图5显示了当VCO信号(V)超前于参考输入信号(R)时,MAX9382的输入、输出时序,这种情况下,鉴相器在其“上”端(U)输出一串窄脉冲,在“下”端(D)输出一串宽脉冲。“上”、“下”输出脉冲宽度之差即为所需要的V、R输入跳变时间差。
图5. V超前于R时MAX9382的输入和输出时序
避免死区效应的最小脉冲宽度主要由电荷泵的最小输入脉冲宽度和鉴相器输出脉冲的上升、下降特性决定。式8用于计算最小脉冲宽度的近似值。MAX9382指标确保370ps的最小输出脉宽和最大190ps的输出上升/下降时间。通过式8计算特定环路滤波器的最小输入脉冲宽度,所得结果为360ps。任何最小输入脉冲宽度低于该值的环路滤波器即可与MAX9382配合使用,构成没有死区效应的环路。
图6阐述了环路相位响应大约为零、最小脉冲宽度过小时的影响。图中显示了两种响应曲线,环路滤波器均工作在100MHz,要求200ps的输入脉冲宽度,鉴相器输出的上升、下降时间为190ps。第一个响应为鉴相器最小输出脉冲宽度近似为0ps的情况,第二个响应为鉴相器满足最小输出脉冲宽度条件的情况(本例中,MAX9382的最小脉宽为370ps)。

图6. 鉴相器输出脉冲宽度为370ps和0.0ps时环路死区效应比较
最大工作频率
MAX9382数据资料给出了在可用输入相位范围±π情况下,典型的最大工作频率为450MHz。具体应用中,最大工作频率由器件的内部传输延时和可用输入相位范围决定。内部复位脉冲用于控制最小输出脉冲宽度。如果在收到下一个有效输入沿时该复位脉冲有效,鉴相电路将错过这个输入沿。这个复位脉冲的持续时间并没有在MAX9382数据资料中规定,但它的有效值可以根据输入、输出延时推算出来。例如,“V”输入超前“R”输入时,当“D”输出的下降沿与“V”输入的上升沿对齐时,达到输入相位范围的限制;对于“R”输入超前于“V”输入的情况,在“R”输入和“U”输出之间会发生类似情形。式9给出了“V”超前“R”时最大输入相位的近似表达式。图7给出了对应的时序图。同样可以给出“R”超前于“V”情况下的表达式和波形。

图7. 器件时序特性给出最大可用的相位限制
图7所示时序图描述了最大相位条件下的输入、输出波形。进一步增大超前输入相位,将导致随后的“V”输入上升沿被忽略,输出复位至差分低电平状态。鉴相器将响应接下来的输入上升沿,并将其作为超前波形。图7示例中,后续的边沿会出现在“R”输入,鉴相器响应是针对“R”超前“V”的条件得出的。
公式列表
式1、式2和式3给出了输入频率相同条件下(锁定条件)和输入频率不同条件下(对应于fV > fR、fV < fR)鉴相/鉴频器的传输函数。
其中:![]()
输出(Output) = 鉴相输出
KP = 鉴相增益
ΘR = 参考信号相位
ΘV = 反馈信号相位
其中:![]()
KF = 鉴频增益
fR = 参考信号频率
fV = 反馈信号频率
式4和式5给出了电荷泵和环路滤波器的传输函数。![]()
其中:![]()
OUT = 滤波器输出
A = 增益(跨导)
ZFILTER = 滤波网络阻抗
ΔT/T = “上”、“下”输入占空比
其中:![]()
T1、T2、T3 = 与环路滤波元件有关的时间常数
式6为基本的环路传输函数。
其中:![]()
FOUT = 环路输出
R = 环路输入
n = 反馈环路分频比
K1 = 鉴相传输增益
K0 = VCO传输增益
A = 电荷泵增益
F(s) = 环路滤波器传输函数
s = jω
式7为环路锁定条件下完整的环路传输函数。
式8为避免死区效应的最小脉冲宽度近似值。![]()
其中:![]()
PulseMIN = 鉴相器输出要求的最小脉冲宽度
tF = 鉴相器输出下降时间(20%到80%)
tR = 鉴相器输出上升时间(20%到80%)
tL = 环路滤波最小输入脉冲宽度
式9给出了最大输入相位范围与工作频率和鉴相器时延的函数关系。
其中:![]()
ΘMAX = 最大输入相位
tpRD = 从R输入到D输出的传输时延
F0 = 工作频率