摘要
本篇应用笔记描述了与单端FM IF 183.6MHz滤波器连接的接口设计。使用一个无源LC网络,\"非平衡变压器\",提供所需的平衡至非平衡转换接口。本设计使用4个电感和3个电容。通过匹配网络和FM滤波器的插入损耗为4.9dB。
MAX2538蜂窝前端IC具有一个AMPS蜂窝信号通道专用混频器。蜂窝频段LNA (低噪声放大器) (869MHz至894MHz)对于AMPS和蜂窝CDMA (码分多址)是通用的。为了达到最优的噪声和LO (本地振荡)抑制,混频器设计为双平衡的。此混频器的IC外部引脚提供了差分IF输出,但使用单端RF输入。
Maxim的V3.5蜂窝电话参考设计使用具有单端输入和输出的FM IF滤波器,所以必需将混频器的差分输出转换为单端工作方式。设计一个分立的L-C非平衡转换器的难度主要在于从混频器输出(约3.3Ω)到IF滤波器输入(180Ω)的高阻抗转换("Z")比。这表示Z之比为18:1,用单一部分转换器实现它非常难。我们发现4:1的转换比是具有低插入损耗的实际应用的极限。为了让所用元件的数量最小,使用一阶LC设计并对插入损耗指标作1.5dB的让步。
下面是设计LC非平衡转换器及匹配FM滤波器的一个实例。
混频器内部源阻抗可以看作12Ω || (并联) 0.75pF。使用3.3Ω的外部负载电阻以达到对混频器IIP3 (三阶输入截取点)、增益和NF (噪声系数)性能的整体最佳折衷。为了最好发挥MAX2538的能力,上述三个参数的目标分别定为约+7dBm、13dB和8.5dB。电阻负载还要保持宽带特性以吸收严重降低互调性能的带外反射。
步骤1:
根据对MAX2538 FM混频器的仿真得出输出阻抗模型。为简化并适当地模拟FM混频器的L-C非平衡转换器和FM滤波器匹配网络,将IF负载电阻和混频器的输出模型合并起来比较方便,最后将差分并联电路转换成差分串联等效电路。

图1. 建立混频器输出阻抗模型以简化设计。
步骤2:
必需知道在我们感兴趣的频率上FM滤波器的输入和输出模型。滤波器使用Toyocom的TF3-J3DC5 (183.6MHz)。

图2. FM滤波器输入和输出阻抗
步骤3:
现在使用RF仿真软件和滤波器的2口S参数模拟Toyocom FM滤波器,同时使用理想元件值建立参考点(见图3)。图4所示为理想的频率响应。这一参考点给出了理想的性能。一旦使用真正的电感模型,实际电感较低的品质因数(Q)将使性能有所下降。在实际应用中应该使用具有高Q值的绕线电感以减小插入损耗。本应用中的电容器应该使用陶瓷单片电容,因为它们的Q值在183.6MHz时大于200并且引入的插入损耗最小。

图3. 具有理想元件的单端匹配网络作为设计的起点

图4. 理想的FM滤波器性能。
步骤4:
一旦我们知道了滤波器的输入输出阻抗和频率响应,就可以设计L-C非平衡(balun)转换器。转换器将在183.6MHz达到谐振。使用下面的公式可以计算出电路的谐振频率。

如果我们选择L = 238.5nH,C = 3.15pF (使用2.4pF + 混频器模型中的0.75pF = 3.15pF),Fo = 183.6MHz。
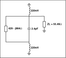
因此,滤波器的输入阻抗为55.49 - j64.33Ω。下面的电路首先将混频器的输出阻抗匹配到55.49Ω 。由于L-C非平衡转换器并非理想且电感的Q值为35,所以使用最初的238.5nH电感时电路会有插入损耗而且不会在183.6MHz谐振。因此必需使用220nH的电感重新调谐设计使其在183.6MHz谐振,见图5。图5中的电路具有-1.44dB的插入损耗,见图6。

图5. 使用220nH电感将设计调谐到谐振频率183.6MHz

图6.
步骤5:
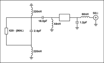
最后,将L-C非平衡转换器匹配到Toyocom FM滤波器。

图7. 具有3个电容的最终设计

图8. 完整设计的频率响应
结论
使用最少数量的分立元件设计了L-C非平衡转换器—D两个电感和一个电容,插入损耗保持最小。通过L-C非平衡转换器的损耗是-1.44dB并且在183.6MHz时通过FM滤波器的插入损耗为-3.16dB。图7所示为实际应用电路图8为其性能。