新型CCII电流传输器
摘要
第二代电流传输器运算放大器(CCII)与采用电压反馈的类似器件相比可以提供更宽的频带,适用于RF混频器、高频精密整流器以及医疗产品,例如:电阻抗断层成像系统。传统的运算放大器受其增益带宽积限制,不能胜任高频应用。
概述
电流传输器或CCI (可以看作一个理想的晶体管)的概念最初是由Smith和Sedra于1968¹,²提出的。之后,在1970年,CCI被更加通用的第二代器件CCII³所取代。现在的传输器设计主要采用BJT,它们与CMOS相比具有更高的跨导,非常适合电流反馈运算放大器的设计,例如MAX4112低功耗放大器,其特点是电流反馈,而不是标准运算放大器中使用的电压反馈方式。因此,电流反馈运算放大器不像标准运算放大器那样受到增益带宽积的限制,它可以提供比电压反馈器件更宽的频带。
电流传输器通常用于传统运算放大器无法支持的高频产品,因为传统设计的增益带宽积有限。理论上讲,电流传输器只受设计中晶体管ft的限制。目前采用电流传输器的应用主要包括:RF混频器、高频精密整流器以及医疗产品,比如电阻抗断层成像系统(EIT)。
双极型传输器
图1所示框图是使用双极型器件构成的电流传输器。

图1. 双极型CCII
从图1可以看出CCII传输器可以当作一个理想的晶体管模型:
Y是基极/栅极
X是发射极/源极
Z是集电极/漏极
这种利用BJT构成的电路能够很好地工作,因为BJT的跨导和Early电压比CMOS器件高。因此,电流传输器可以很好地用作源极跟随器。增益X/Y接近于1,Z具有高输出阻抗,这是CMOS电路望尘莫及的。
CMOS源极跟随器
如同上述说明,CMOS跟随器的主要问题是gm和Early电压(1/lambda)较低,等同于低增益,因为电压跟随器的增益很大程度上依赖于这两个参数的提高。通过下式可以看到这个关系:

式中,gL是负载电导,gds是漏源间电导, gm是CMOS器件的跨导。
利用TSMC 0.18µm工艺,在负载为1kΩ时,典型的仿真增益可以达到0.7。同理想增益1相比,存在30%的输出增益损失。
电流传输器源极跟随器
利用一个不带缓冲的放大器(图2a)可以模拟增益为1的源极跟随器,然后在图1设计的基础上增加这一电路,构成CCII电流传输器。

图2a. 简单的源极跟随器
图2a可以按照下面的图2b实现。

图2b. CCII无缓冲源极跟随器及其实现
从图2b可以看出输出X被反馈到长尾晶体管对的一个输入(X')。长尾晶体管对的另一个输入是Y,输入Y通过M1改变电流。M2与M3不同,M4是电流镜。
M2和M4之间存在电流差。从器件M5的栅极/源极电容Cgs拉电流或馈入电流,可以解决不平衡问题。在输出X'与Y达到匹配之前,带宽限制定义为晶体管充电和放电的速率。因此,带宽限制可以定义为:

采用非缓冲放大器的电流传输器(CCII+)
按照图2,可以实现电流传输器(CCII+)的第一部分。为了完成电流传输器(CCII+)的剩余部分,输出X'电流只需进行镜像,参考图3,它给出了Z的输出电路。

图3. 采用无缓冲放大器的电流传输器(CCII+)
M7/M8对来自M5/M6的电流进行简单镜像,得到CCII+的输出Z(-)。
必要时,可以给M7/M8增加一个共源共栅结构,以提高Z的输出阻抗。需要注意的是:为了正确模拟电流,X的输出阻抗必须与Z匹配,比如,M5/M6必须使用与M7/M8相同的晶体管类型。
CCII的增益可简单表示为:

从CCII+转变为CCII-
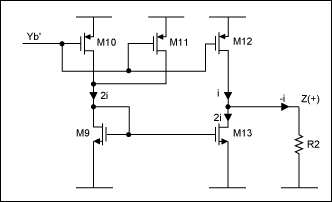
选取偏置点Yb' (图3),增加图4所示附加连接。

图4. 电流传输器配置为CCII-
图4中,如果所有晶体管规格一致,并且选取Yb' (图3中的偏置点),M10和M11所产生的电流将为2i。通过M9镜像,在M13得到2i电流。M12提供电流为I,并通过Z(+)提供电流-i,由此得到一个真正的CCII-输出。这种方案存在一个问题:Z(+)有一个直流项-i,而不是+i。因此,Z(+)输出需要增加2i的直流电流补偿-I,图5提供了这个附加项。

图5. 增加直流偏置后的CCII-输出
图5中,晶体管M14和M15提供适当的电流补偿M13吸取的直流电流(注意:M14和M15必须与M12匹配)。令R3电流等于i(DC) - i',R3和R2必须匹配。它们阻值的任何不匹配都会导致输出直流值的差异。
VBIAS电路
为了得到所要求的电压,VDCBIAS将保持M14和M15的直流电流,VDCBIAS (图5)也必须与节点Yb' (图4和图5)具有相同的直流值。实现这一步只需要模拟前端电路,并将输入信号的直流值(VINDC)作为这一级的输入偏压,如图6所示。

图6. 直流补偿电路(图5)的VBIAS电路
本设计的唯一问题是需要另一个电阻(R4),而且R4必须与R2、R3匹配。
仿真结果
使用图3所示CCII+,并采用TSMC 0.18µm工艺,R1 = 1kΩ,R2 = 1kΩ,可以得到增益为1。器件的3dB带宽为2.5GHz,电源抑制比(PSRR)为41dB,增益为0.972。
使用共源共栅器件代替M5/M6和M7/M8可以改善性能,使带宽达到900MHz,增益提高到0.993,PSRR也提高到51dB。
参考文献
¹K.C. Smith and A. Sedra, 'The Current-Conveyor — A New Circuit Building Block,' IEEE Proc, Vol. 56, 1968, pp. 1368–1369.
²C. Toumazou, John Lidgey & Alison Payne, 'Practical Integrated Current-Conveyors, Current Mode Circuits Techniques in Analog High Frequency Design,' July 1996, Chapter 5.2, pp. 69–80.
³K.C. Smith and A. Sedra, 'A Second Generation Current-Conveyor and its Applications,' IEEE Trans, CT-17, 1970, pp. 132–134.
本应用笔记基于一篇发表在Chip Design Magazine2007年8/9月刊的文章。