巧妙的线路板布线改善蜂窝电话的音质

2008-01-18

Figure 1

   

摘要

本文讨论了蜂窝电话PCB设计中影响音频特性的关键因素。文中给出了一个有问题的蜂窝电话PCB设计和一个良好的PCB布板方案。通过对两种布板的对比强调了改善音频性能的设计考虑。

引言

蜂窝电话是PCB布板工程师所面临的终极挑战,现代蜂窝电话几乎囊括了便携式的所有子系统,每个子系统都有相互矛盾的需求。一个设计完美的PCB必须在充分发挥每个互联设备性能优势的同时,避免子系统之间的相互干扰,因此,对于相互冲突的要求不得不对每个子系统性能进行折中考虑。虽然蜂窝电话的音频功能在持续增加,但给予音频电路PCB布局的关注却很少。

元件布局

任何PCB设计的第一步当然是选择每个元件的PCB摆放位。我们把这一步称为“布板考虑”。仔细的元件布局可以减少信号互连、地线分割、噪音耦合以及占用电路板的面积。

蜂窝电话包含数字电路和模拟电路,为了防止数字噪声对敏感的模拟电路的干扰,必须将二者分隔开。把PCB划分成数字区和模拟区有助于改善此类电路布局。

虽然蜂窝电话的RF部分通常被当作模拟电路处理,许多设计中需要关注的一个共同问题是RF噪声,需要防止RF噪声耦合到音频电路,经过解调后产生可闻噪音。为了解决这个问题,需要把RF电路和音频电路尽可能分隔开。

将PCB划分成模拟、数字和RF区域后,需要考虑模拟部分的元件布置。元件布局要使音频信号的路径最短,音频放大器要尽可能靠近耳机插孔和扬声器放置,使D类音频放大器的EMI辐射最小,耳机信号的耦合噪音最小。模拟音频信号源须尽可能靠近音频放大器的输入端,使输入耦合噪声最小。所有输入引线对RF信号来说都是一个天线,缩短引线长度有助于降低相应频段的天线辐射效应。

元件布置举例

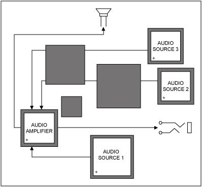
图1给出一个不合理的音频元件布局,比较严重的问题是音频放大器离音频信号源太远,由于引线从嘈杂的数字电路和开关电路附近穿过,从而增加了噪音耦合的几率。较长的引线也增强了RF天线效应。 蜂窝电话采用GSM技术,这些天线能够拾取GSM发射信号,并将其馈入音频放大器。几乎所有放大器都能一定程度上解调217Hz包络,在输出端产生噪音。糟糕时,噪音可能会将音频信号完全淹没掉,缩短输入引线的长度能够有效降低耦合到音频放大器的噪声。

图1所示元件布局还存在另外一个问题:运放距离扬声器和耳机插座太远。如果音频放大器采用的是D类放大器,较长的耳机引线会增大该放大器的EMI辐射。这种辐射有可能导致设备无法通过当地政府制定的测试标准。较长的耳机和麦克风引线还会增大引线阻抗,降低负载能够获取的功率。

最后,因为元件布置得如此分散,元件之间的连线将不得不穿过其它子系统。这不仅会增加音频部分的布线难度,也增大了其它子系统的布线难度。

图1. 不合理的元件布局

图1. 不合理的元件布局

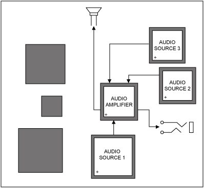
图2给出了图1相同元件的排列,重新排列的元件能够更有效地利用空间,缩短引线长度。注意,所有音频电路分配在耳机插孔和扬声器附近,音频输入、输出引线比上述方案短得多,PCB的其它区域没有放置音频电路。这样的设计能够全面降低系统噪音,减小RF干扰,并且布线简单。

图2. 蜂窝电话的一个合理布局方案

图2. 蜂窝电话的一个合理布局方案

信号通路

信号通路对音频输出噪音和失真的影响非常有限,也就是说为了保证性能需要提供的折中措施很有限。

扬声器放大器通常由电池直接供电,需要相当大的电流。如果使用长而细的电源引线,会增大电源纹波。与短而宽的引线相比,又长又细的引线阻抗较大,引线阻抗产生的电流变化会转变成电压变化,馈送到器件内部。为了优化性能,放大器电源应使用尽可能短的引线。

应该尽可能使用差分信号。差分输入具有较高的噪声抑制,使得差分接收器能够抑制正、负信号线上的共模噪声。为充分利用差分放大器的优势,布线时保持相同的差分信号线对的长度非常重要,使其具有相同的阻抗,二者尽可能相互靠近使其耦合噪声相同。放大器的差分输入对抑制来自系统数字电路的噪声非常有效。

接地

对于音频电路,接地对于是否能够达到音频系统的性能要求至关重要。不合理地线会导致较大的信号失真,产生高噪声、强干扰,并降低RF抑制能力。设计人员很难在地线布局上投入大量时间,但仔细的地线布置能够避免许多棘手问题。

任何系统中接地有两个重要考虑:首先它是流过器件的电流返回路径,其次是数字和模拟电路的参考电位。保证地线任意一点的电压相同看似简单,实际则是不可能的。所有引线都具有阻抗,只要地线有电流流过,就会产生相应的压降。电路引线还会形成电感,这意味着电流从电池流向负载,然后返回电池,在整个电流通道上存在一定的电感。工作在较高频率时,电感将增大地线阻抗。

为特定的系统设计最佳的地线布局并不简单,这里给出了适用于所有系统的一般性规则。

  1. 为数字电路建立一个连续的地平面
    地层的数字电流通过信号路径返回,该环路的面积应保持最小,以降低天线效应和寄生电感。确保所有数字信号引线具有对应的接地通路,这一层应该与数字信号引线覆盖相同的面积,具有尽可能少的断点。地层的断点,包括过孔,会使地电流流过更大的环路,因而产生更大的辐射和噪声。
  2. 保证地电流隔离
    数字电路和模拟电路的地电流要保持隔离,以阻止数字电流对模拟电路的干扰。为了达到这一目标,需要正确排列元件。如果把模拟电路布置在PCB的一个区域,把数字电路布置在另一区域,地电流会自然隔离开。最好使模拟电路具有独立的PCB分层。
  3. 模拟电路采用星形接地
    星形接地是将PCB的一点看作公共接地点,而且只有这一点被当作地电位,蜂窝电话中,电池地端通常被作为星形接地点,流入地平面的电流不会自动消失,所有地电流都将汇入到这个接地点。

    音频放大器吸收相当大的电流,这会影响电路本身的参考地和其它系统的参考地。为了解决这一问题,最好提供一个专用的返回回路桥接放大器的功率地和耳机插孔的地回路。注意,这些专用的回路不要穿越数字信号线,因为它们会阻碍数字返回电流。
  4. 最大化旁路电容作用
    几乎所有器件都需要一个旁路电容,以提供电源不能提供的瞬态电流。这些电容需尽可能靠近电源引脚放置,以减少电容和器件引脚之间的寄生电感,电感会降低旁路电容的作用。另外,电容必需具有较低的接地阻抗,从而降低电容的高频阻抗。电容的接地引脚应直接到接层,不要通过一段引线后接地。
  5. 将所有不使用的PCB区域覆铜,作为地层
    两片铜箔彼此靠近时,它们之间就会形成一个小的耦合电容。在信号线附近布上地线,信号线上的高频噪声会被短路到地层。

接地实例

图3是一个具有较好接地分布的电路板实例,首先需要注意PCB底部为数字区域,顶部为模拟区域。穿越区域边界的唯一信号线是I2C控制信号,这些信号线有一个直接的返回路径,确保数字信号只存在于数字区域,没有地层分割导致的数字地电流。还要注意大部分地平面是连续的,即使数字区域有一些中断,但彼此之间的距离足够远,保证了电流通道的顺畅。

在这个例子中,星形接地点在PCB顶层的左上角。模拟地层的断点确保D类放大器和电荷泵的电流直接返回星形接地点,不会干扰其它模拟层。另外,还需注意耳机插孔有一条引线直接将耳机地电流返回到星形接地点。

图3. 丝印层和地层举例

图3. 丝印层和地层举例

结论

设计良好的PCB是一件耗时,同时也是极具挑战性的工作,但这种投入也的确是值得的。好的PCB布局有助于降低系统噪音,提高RF信号的抑制能力,减小信号失真。好的PCB设计还会改善EMI性能,有可能需要更少的屏蔽。

如果PCB不合理,会在测试阶段出现本来可以避免的问题。这时在采取措施的话,可能为时已晚,很难解决所面临的问题,需要投入更多的时间、花费更大的精力,有时还要添加额外的元件,增加系统成本和复杂性。

类似文章发表于EETimes (CMP出版) 2007年7月16日。



添加至 myAnalog

将文章添加到 myAnalog 的资源部分、现有项目或新项目。

创建新项目

关联至此文章

最新视频 21
Title
Subtitle
了解更多
添加至 myAnalog

将文章添加到 myAnalog 的资源部分、现有项目或新项目。

创建新项目