Designing High Performance Systems with Low Noise Instrumentation Amplifiers
Designing High Performance Systems with Low Noise Instrumentation Amplifiers
2012-04-01
What is a low noise instrumentation amplifier?
A low noise instrumentation amplifier is an extremely sensitive device that can measure even the smallest signals in noisy environments or in the presence of large unwanted voltages. It achieves this functionality by amplifying the difference between its two inputs while rejecting any voltages that are common to both. A low noise instrumentation amplifier combines a very low wideband noise with a low 1/f corner, which makes it useful in the most demanding precision applications.
What kind of system needs low noise instrumentation amplifiers?
Typically, systems requiring precision amplification and conditioning of sensors, which generate signals that are too weak to be directly interfaced to data converters. Some sensors generate narrow-band signals that may be very small. Others may generate time-varying signals with rich frequency content over a wide bandwidth. In both cases, such signals need to be amplified above the noise floor of the system. Those systems must maintain their performance while operating in noisy environments, where large common-mode voltages (usually at the ac power line frequency) are present.
What applications use this type of amplifier?
Low noise instrumentation amplifiers are used to solve some of today’s most difficult challenges. These challenges require precision amplification for signal monitoring, data analysis, and physical measurement tools. They are used in applications such as:
- Data logging systems used in drilling and exploration of mineral and energy resources
- Surgical tools that correct heart arrhythmias with methods like catheter-based cardiac ablation
- Modal vibration analysis tools that improve machinery and vehicle safety
Other applications include microphone preamplifiers, acoustic transducers, piezoelectric sensor conditioning, blood pressure monitors, brain seizure diagnostic (EEG), cardiac monitors (ECG), magnetic sensor conditioning, and power monitoring.
How is noise specified in in-amps?
Instrumentation amplifiers, like op amps, specify noise as referred to input, or RTI. In other words, everything is calculated as if it appeared at the amplifier input. Unlike op amps, in-amps have noise from the output stage, or eno, which must be divided by the gain to get the RTI value. The noise referred to the amplifier output (RTO) is the product of RTI noise and the gain of the amplifier.
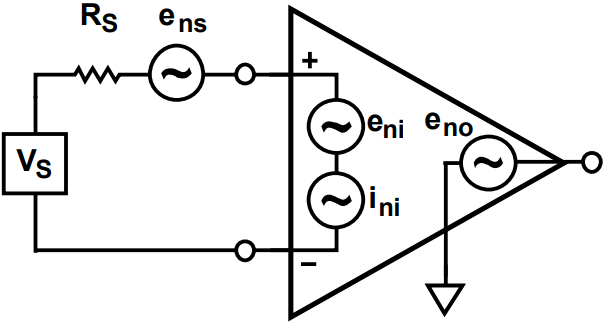
How is the total noise density calculated?
A simple noise model for an instrumentation amplifier is shown in Figure 1. In order to get the total noise, the source resistance seen by the amplifier inputs must be considered. Any sensor connected to an instrumentation amplifier has some output resistance, which can be very different depending on the type of sensor. This resistance in series with any resistors used to protect the in-amp inputs makes up the total source resistance, represented by RS in Figure 1. This resistance value contributes to the noise in two ways. Any resistor, no matter how well made, has a minimum level of thermal noise, which is proportional to the square root of the resistor value. Additionally, the current noise, ini, is converted to a voltage through RS. Thus, the three main noise sources are voltage noise, eni and eno, which are independent of RS; thermal noise of the source resistance, ens; and current noise, ini.

Figure 1. Simple Instrumentation Amplifier Noise Model.
All of these noise contributions can be combined to obtain the total noise density as follows:

For a detailed analysis of noise in amplifier circuits, refer to application note AN-940.
How do I choose the best low noise in-amp for my application?
The best low noise amplifier is not always the one with the lowest nV/√Hz input voltage noise number. In a noise-sensitive application, the gain, source resistance, and frequency range must be considered in order to find the best amplifier. Figure 2 plots the total noise of three instrumentation amplifiers from Analog Devices to provide optimal noise performance for nearly any source resistance.

Figure 2. Total Noise vs. Source Resistance.
Notice that for low RS, voltage noise dominates, and for high RS, current noise dominates, no matter what amplifier is chosen. Refer to the following equations to determine what the dominant noise source is for a given source resistance.


If your source resistance is less than RL, voltage noise dominates, and you should use an amplifier with lower voltage noise, if possible. If your source resistance is greater than RH, current noise dominates, and you should use an amplifier with lower current noise.
In the above example, for RS values between about 5 kΩ and 10 kΩ, the noise performance for all of these in-amps is close or the same. At this point, consider optimizing other parameters for your system, such as bandwidth, power, distortion, and cost.
Can I build my own low noise instrumentation amplifier?
It is possible to build a discrete low noise instrumentation amplifier, but there are several challenges to overcome. Some of them include achieving high common-mode rejection, low drift, wide bandwidth, and low distortion. Obtaining these parameters with discrete designs is extremely difficult and comes at the expense of using several components, costly adjustments, higher power consumption, and a larger footprint. Low noise instrumentation amplifiers such as the ones from Analog Devices provide better solutions for use in state-of-the-art applications.