摘要
蜂窝发送器的设计依赖于能够保持高线性度和高动态范围的高性能RF调制器。随着多载波发送器的增长,RF调制器必须保持低噪声基底,从而提供较高的性能指标,通常取决于二阶或三阶互调。本文讨论了这些需求,并说明MAX2022能够满足典型四载波WCDMA发送架构的要求。
概述
现有的蜂窝基站大多采用超外差结构发送或接收射频信号。这种结构需要两次变频或更多的上、下变频级、中间滤波和模拟信号处理。图1的上半部分给出了一个两级转换蜂窝基站的典型超外差发送框图,很多此类发送器已经被应用在单载波系统。因为多载波发送器是从单载波发送器复制得到的,所以引入了更多的系统硬件。为了努力降低发送器的成本,许多系统设计者开始转向多载波发送器和简单的直接变换射频结构。

图1. 超外差变换和直接变换结构框图
多载波结构的设计挑战
多载波结构降低了发射通道数,直接变换结构由基带信号直接变换成射频信号,从而减少了每个通道的元器件数量。这两种结构都要求宽动态范围和高线性度的元器件来满足整个系统的要求。图2给出了一个直接变换发送器结构。这种特殊结构大大降低了转换处理的级数。多级混频器、放大器、中频和射频滤波都由一个单片集成方案所替代。

图2. 直接变换结构
直到近期,数模转换器(DAC)和直接变换调制器的性能还不足以支持3G多载波蜂窝基站的要求。新一代通信基站的发送器设计即要求低成本又要求更加灵活的解决方案,在搭建基础发射架构的过程中,射频调制器的选择起着举足轻重的作用。
用单发射器结构解决上述问题
Maxim近期推出了一款直接正交射频调制器MAX2022,能够满足这些需求。这款器件提供极宽的动态范围,为发送器设计者在整个系统性能优化方面提供了极大支持。
它具有非常高的OIP2和OIP3,配合接近-174dBm/Hz的输出噪声基底,可确保真正的多载波性能。单一发送器架构可以支持多种类型的调制方式,从CDMA2000、WCDMA到OFDM,并支持多达9个载波。在发送器设计中充分利用这些调制性能,可以有效降低系统的硬件需求,从而降低成本,并可提高链路的灵活性。
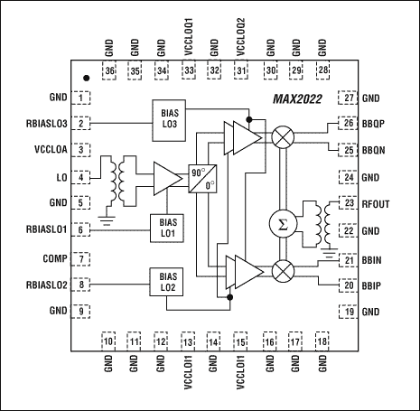
MAX2022采用硅锗工艺,覆盖了1500MHz至2500MHz频率范围。图3所示为本电路的内部结构。

图3. MAX2022射频调制器性能
MAX2022具有内部50Ω匹配的单端本振输入,允许本振的输入驱动范围是-3dBm到+3dBm。本振经过内部缓冲,由一个正交分路器分成两部分,分别送到两个无源混频器。I、Q正交输入为差分输入,具有44Ω输入阻抗。大于1GHz的输入带宽使这款芯片既可以作为一个基带直接到射频的调制器,也可以作为一个具有正交中频输入的镜频抑制混频器。正交输入可直接与电流输出DAC接口,省去了中间缓冲放大器,传统方案中的中间级缓冲放大器既限制了性能又增加了成本。混频器将信号混频后送到内部50Ω匹配的单端射频输出。
MAX2022射频调制器性能
射频调制器的性能由几个独立的参数决定,MAX2022在所有相关领域都有出色的表现。在P1dB为+12dBm时,OIP3为+22dBm。多载波之间的互调取决于OIP3,较高的OIP3可以确保较低的互调失真,OIP2是另外一个针对零中频应用的重要参数。MAX2022在UMTS波段的OIP2为+50dBm,OIP2对基带信号意义重大,基带信号的二次谐波将在射频输出产生频谱扩展,从而损害ACLR性能。较高的OIP2可以确保较低的ACLR失真。图4所示是对该款芯片OIP2、OIP3测试结果,以及输出功率在1500MHz至2500MHz频率范围内的变化曲线。

图4. MAX2022 OIP2、OIP3、POUT与频率的对应关系
与无源混频器相比,MAX2022的噪声基底指标得到极大的改善。这些器件在典型输出信号幅度下噪声电平接近-174dBm/Hz。本振缓冲器的相位噪声会对大于-10dBm的信号产生影响,不过,缓冲器-164dBc/Hz的超低相位噪声设计能够保证系统的性能。

图5. 噪声基底与输出功率
射频调制器的另一关键指标是动态范围,定义为最大有效信号电平(表示为P1dB)与噪声基底之差。MAX2022具有186dB的动态范围,远远超过了其它集成射频调制器。
在PCS和UMTS波段,本振泄漏小于-40dBm,边带抑制优于45dB。数字预校准控制环路可以近一步优化性能,使本振泄漏低于-80dBm、边带抑制优于60dB。射频通带平坦度在100MHz带宽内优于0.5dB,非常适合宽带系统。
工作在UMTS波段的多载波WCDMA
多项性能指标综合体现出的优势在于多载波的互调特性。从本文可以看出,MAX2022能够提供出众的性能。
作为一个例子,我们考虑一个4载波WCDMA调制信号,发送器设计必须符合WCDMA载波本身的带宽要求,等于20MHz。另外,为修正由功率放大器造成的后续失真,需要给发射信号加入数字预失真,这样,带宽要求可能超出100MHz。图6给出了这种信号的频谱。

图6. 4载波UMTS频谱
从图中可以看出超常宽带使发送器输出频谱超出了UMTS的带宽限制。这要求发送器的噪声指标必须符合发送器模板的要求,超出频带边缘,但不需要射频滤波器来处理杂散信号和噪声电平。这对射频调制器提出了很高的要求,MAX2022的宽频带和大动态范围可以支持这样的系统设计。
图7所示是在UMTS波段产生的单载波、双载波以及4载波WCDMA的ACLR性能。基于超宽的动态范围,MAX2022可以在非常宽的输出功率范围维持良好的ACLR。图中还提供了噪声性能,以说明在指定的ACLR指标下所能提供的动态范围。例如,对于-28dBm/载波的4载波WCDMA信号,ACLR可以达到66dB,输出噪声基底为-173.5dBm/Hz。

图7. 1、2或4载波WCDMA信号的ACLR和噪声性能
MAX2022的良好性能同样可以用来产生其它类型的调制,例如OFDM、QAM等。在CDMA2000和TD-SCDMA系统中可以支持到9载波。一系列的硬件配置可以实现任何调制方式。
系统级设计
高度集成的MAX2022的接口设计使它对外围辅助电路的要求非常少,降低了系统成本。内部匹配的本振缓冲器和平衡变换器设计允许在-3dBm到+3dBm的低本振功率水平使用单端本振接口。集成的射频平衡变换器允许50Ω阻抗匹配的单端射频输出。基带信号的I和Q分量输入采用差分输入接口,具有44Ω内部阻抗匹配。这些特性使得芯片可以直接与高性能的电流输出DAC连接,不需要中间缓冲放大器。按照MAX2022的性能指标,要找到一个不降低器件自身性能的外部基带放大器很困难。幸运的是,在MAX2022应用配置中,这些基带放大器并不是必须的。图8提供了一个DAC与MAX2022终端接口的推荐电路。50Ω到地的电阻提供了适当的DAC端接,20mA典型值的峰值电流可对应产生0dBm的基带输入。

图8. DAC与基带输入接口
为确保MAX2022的性能指标,必须进行仔细的系统级设计。图9是一个推荐配置,带有数字预失真能力的4载波WCDMA调制。图中标出了该电路每一级的输出信号电平、噪声电平以及ACLR。

图9. Tx信号分析
从DAC开始,我们要求一个可以产生50MHz带宽的器件,并且ACLR远远优于这个设计的目标值65dB,同时噪声和杂散电平要比较低。MAX5895是一个可以满足这些要求的器件。关键的DAC指标是4载波工作下的ACLR,以及噪声和杂散电平。在这个应用中推荐使用内插式DAC,这类DAC能够在相对较低的输入数据速率下运行在较高输出采样率。这时,插值滤波器的衰减很关键,因为DAC后续的低通滤波器对临近插值镜频分量没有足够的衰减。内插式DAC会在基带输入数据速率的整数倍处产生镜频分量。如果没有在调制器的输入级消除这些分量,镜频分量会在调制器的输出产生严重的边带。MAX5895 95dB内插镜频抑制对于这类应用非常理想。这从根本上降低了DAC后续滤波器的复杂性。
从调制器输出可以看出,调制器输出信号电平为每载波-28dBm,共计-22dBm。调制器性能决定ACLR为+66dB (DAC指标对其没有限制)。然而,噪声基底已经从调制器的-174dBm/Hz增大到-170dBm/Hz。这是由级联的DAC噪声电平造成的。因此,为了得到最优的设计,必须仔细的选择线路中的每个单元。
RF放大器需具有非常低的噪声系数和适当的OIP3,避免级联ACLR的劣化。如果增益为12dB,这一级的OIP3最好大于+30dBm。选择高OIP3的输出级可以避免级联ACLR的劣化。可以选用射频可调增益放大器MAX2057,它能够调节整个环路的增益。+37dBm的OIP3确保级联ACLR保持在+65dB。
当每载波维持在-139dBc/Hz的噪声基底时,此发送器应可以产生+65dB的ACLR。这样的噪声基底和杂散电平是在没有射频滤波器的情况下得到的。可以在多波段系统中采用相同的硬件配置,不需要作任何改动。
结论
新型调制器MAX2022使发送设备能够达到一个新的水准。可以构成零中频和镜频抑制方案。利用该器件可以很容易地改善系统指标、降低成本,实现一个灵活的发送器架构,帮助设计人员提高发送器的设计效率。
类似文章发表于Microwaves & RF 2005第4期。