Entire RGB LED Driver Fits in Miniscule 3mm × 2mm Package
Introduction
The LTC3212 charge pump RGB LED driver is an ideal solution for highly space-constrained portable devices such as cellular phones, PDAs, digital cameras and media players. The LTC3212 features an internal low noise charge pump utilizing a single external flying capacitor. This charge pump operates in 1× mode until one of the LEDs drops out of regulation, after which it switches to 2× mode, automatically maintaining proper LED current while reducing power loss and minimizing switching noise. The LTC3212 is designed with flexibility in mind and can be used for driving RGB backlights, keypad back lighting, or a general purpose LED such as a multi-color status indication LED.
Battery/Supply Voltage
The LTC3212 is designed to operate from 2.7V to 5.5V inputs, making it an ideal LED driver for battery powered and USB powered devices.
The LTC3212’s charge pump is enabled when it is necessary to prevent an LED driver from dropping out of regulation. This reduces losses and minimizes noise by keeping the charge pump operating in 1× mode as long as possible. Once the charge pump is operating in 2× mode, the control algorithm ensures switching noise is reduced by limiting the slew rate of the flying capacitor pins and by reducing the ripple current on the input supply.
The part has a soft-start circuit which prevents large inrush currents on start-up and during a mode switch. The CPO pin has short circuit protection to protect the part in the event of a short on the charge pump output. The CPO output is switched to high impedance mode when the part enters shutdown mode.
Compact Solution
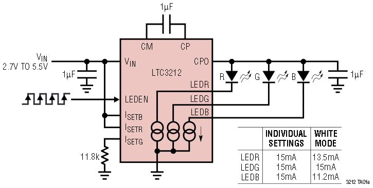
With a minimum setup the LTC3212 can be configured to use only four external components, three capacitors and one resistor (see Figure 1). These few external components along with the small 3mm × 2mm package make the LTC3212 ideal for space constrained applications as shown in Figure 2.

Figure 1. The LTC3212 LED RGB LED driver with minimal external components.

Figure 2. A typical LTC3212 RGB LED driver occupies minimal board real estate.
LED Control
The LTC3212 is programmed using a single wire interface, making it very easy to integrate into applications where the controlling device has limited pins available. The LTC3212 can be programmed to enable any combination of the red, green and blue LEDs, resulting in seven colors from the RGB LED (see Table 1). When all of the LEDs are enabled the currents are automatically adjusted to a ratio that results in white light.
| Pulses | Red | Blue | Green |
| 0 | off | off | off |
| 1 | off | off | ON |
| 2 | off | ON | off |
| 3 | off | ON | ON |
| 4 | ON | off | off |
| 5 | ON | off | ON |
| 6 | ON | ON | off |
| 7+ | White Mode | ||
Intensity Setting
The operating currents of the LEDs can all be the same, two the same, or they can all be configured independently—requiring one, two or three external resistors, respectively. If independent control of an LED is not needed, tie its ISET pin to VIN and the current defaults to the setting of the ISETG resistor.
Conclusion
The LTC3212 is an RGB LED driver optimized to be a simple and compact solution for driving an RGB LED from a 2.7V to 5.5V supply. The LTC3212 is well suited for applications requiring an LED driver with accurate programmable current sources, and compact, low noise operation.