摘要
该应用笔记阐述了MAX11046等同时采样ADC在电力线监测中的应用,文章介绍了交流电测量的基本原理,给出了电网监测的典型应用以及国际标准对监测系统的要求。文章归纳了MAX11046电力线监测的独特优势并提供了一个应用案例。
引言
供电质量管理系统需要实时监测、记录多相电网的三相电压和电流,这些监控和数据采集(SCADA)系统还可以监控零相的电压和电流,以检测负载的不平衡性或频率谐波。此外,功率测量系统对三相电中的每一相电压、电流的均方根值(RMS)进行测量,由此决定功率损耗。
先进的电力线监测系统包括供电质量管理、监控与保护以及表计功能。这些系统能够帮助电力部门和用户进行前兆维护、管理能耗和成本、控制供电质量并为设备提供有效保护,所有这些尝试的目的都是为了提高能效。
测量系统架构
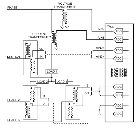
图1给出了交流电测量的基本原理,采样并计算瞬时功率和平均功率。图2所示为典型的电网监测应用,3相电压之间的相位差为120°,为1/3周期。第四条线称为零相,用于调整负载的不均衡。如果3相负载完全相同,系统达到平衡,此时将没有电流流过零相线。
这种3相电力系统是全球的通用标准,称为“Y”型连接,如同其矢量图。每相功率测量通过电流变压器(CT)和电压变压器(PT)表示,一个完整系统包含四对信号(3相电的每相和零相各对应一对信号)。

图1. 交流电测量中的数据采样。

图2. 典型的电网监测应用,采用全球标准的Y型连接。
如图2所示,MAX11044/MAX11045/MAX11046同时测量三相及零相电压和电流。数字处理器对采样数据进行处理,计算数字转换数据、有功电能、无功电能、视在电能以及功率因数。对采样数据进行快速傅立叶变换(FFT)可以进一步计算得到频率和谐波失真。
传输能量的测量必须符合国际标准或当地标准的要求,例如,欧盟(EU)标准EN 50160即为一种通用的国际标准。表1总结了EN 50160的要求:
| Supply Voltage Phenomenon | Acceptable Limits | Measurement Interval | Monitoring Period (week) | Acceptance Percentage (%) | 
| Grid Frequency | 49.5Hz to 50.5Hz, 47Hz to 52Hz | 10s | 1 | 95, 100 | 
| Slow Voltage Changes | 230V ±10% | 10min | 1 | 95 | 
| Voltage Sags or Dips | 10 to 1000 times per year (under 85% of nominal) | 10ms | 1 year | 100 | 
| Short Interruptions | 10 to 100 times per year (under 1% of nominal) | 10ms | 1 year | 100 | 
| Accidental, long interruptions | 10 to 50 times per year (under 1% of nominal) | 10ms | 1 year | 100 | 
| Temporary Overvoltages (line to ground) | Mostly < 1.5kV | 10ms | – | 100 | 
| Transient Overvoltages (line to ground) | Mostly < 6kV | – | – | 100 | 
| Voltage Unbalance | Mostly 2%, but occasionally 3% | 10min | 1 | 95 | 
| Harmonic Voltages | 8% total harmonic distortion (THD) | 10min | 1 | 95 | 
IEC 62053是另一项EU标准,制定了高精度电表的规范。该规范定义了四级计量精度:2级、1级、0.5级和0.2级(例如,0.2级代表0.2%的标称电流和电压测量精度)。对于功率因数的测量精度,相位匹配度需要保持在0.1%或更高精度。
对于谐波电压,EN 50160要求测量50Hz/60Hz电压的25次谐波。然而,各种非线性负载(例如:荧光灯、开关电源等)会产生50Hz/60Hz电压的127次谐波。
IEC 61850等新一代标准要求记录电力系统的瞬态值,每交流周期提供256个(或更多个)采样点。
对于ADC系统的基本要求
EN 50160、IEC 62053、IEC 61850等标准规定了用于电力监控和计量系统的多通道ADC的最低精度要求和采样速率。
电网监控设备必须以高达60Hz x 256,或高于15360sps的采样速率测量瞬态电流和电压,另外,电网监测还需要满足IEC 62053标准对电源测量精度的要求。
ADC的电压测量动态范围可以根据需要监测的最大电压和标称电压以及对电源测量精度的要求(参见表1以及关于IEC 62053的注释)进行计算。例如,如果设计要求测量1.5kV (1500V)的瞬态过压(故障条件下),标称电压为220V,精度要求为0.2级(0.2%),则电压测量子系统的总动态范围为:
20log ((1500/220) × 2000)) = 83dB
注:为了满足标准要求的0.2%精度,我们需要将所有计算精度控制在0.05%以内。
另外,对于电流测量的要求也会影响ADC的规格,如果设计对电源监测的要求是:100A:10A (10A标称值,100A最大值)和0.2级(0.2%),电流测量子系统的总动态范围为:
20log ((100/10) × 2000)) = 86dB
从上述示例可以明显看出系统要求较高动态范围的ADC,16位分辨率和16ksps的采样速率是最基本的要求。为了确保三相和零相“Y”型连接系统的电流、电压测量精度,ADC必须能够同时采样八个通道(4路电压和4路电流),必须具有86dB甚至更高的SNR。
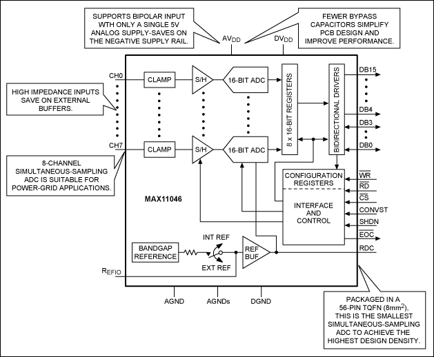
MAX11046 ADC的电力线监测能力
MAX11046在单芯片内集成了八路同时采样、低功耗、16位、250ksps逐次逼近ADC,非常适合电力监测系统:
- 采用+5V单电源供电时能够处理±5V输入。
- MAX11046的高输入阻抗及其输入钳位自保护能力使其能够与CT、PT测量变压器等低阻输出传感器直接连接;无需外部缓冲。
- 同步采样能够在每相电压、电流测量中提供极高的模拟测量精度。
图3总结了MAX11046的独特优势。

图3. MAX11046在电网监测中的独特优势。
图4所示为MAX11046评估(EV)板与电力线监测变压器的典型连接,从该图可以看出,MAX11046与电力线变压器之间的连接非常简单,可有效节省成本和空间。
左侧的示波器图显示的是一个日光灯的电流和电压,信号取自CT (电流)和PT (电压)变压器,该配置可以作为一个负载或测试的例子。右侧为CT、PT信号采集和重建数字信号的软件绘图。

图4.
结论
随着人们对能源需求的增长,全球范围内对电网基础架构的投资也迅速增长。这些新型电力系统包含一个关键单元,即多通道监控和数据采集(SCADA)系统,需要自动监测供电系统并提供故障检测和保护。SCADA系统需要一个类似于MAX11046的多通道、高分辨率ADC。
MAX11046提供最高效的16位、8通道同时采样功能,采用8mm x 8mm封装。由于器件的高阻输入架构,省去了外部缓冲器。器件优化用于三相电网监控和测量系统,高密度设计在提高性能的同时有效降低了系统成本和电路板面积。
 
                             
                             
                             
                             
                             
                             
                             
                             
                             
                             
                             
                             
                             
                             
                             
                             
                             
                             
                             
                            