概览
产品详情
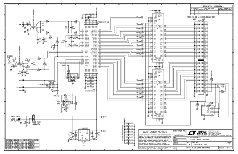
DC997B-B: Demo Board for the LTC2241-12 12-Bit, 210Msps ADC.
相关产品
文档
-
DC997B - Schematic2012/5/22PDF367K
-
DC997B - Demo Manual2012/5/22PDF432K
-
DC997B - Design Files2012/5/22ZIP1M
