文档
-
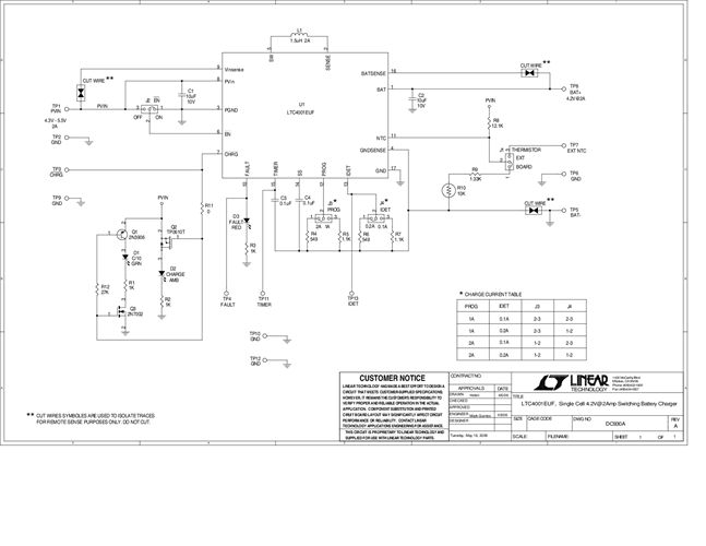
DC930A - Schematic2009/9/24PDF32K
-
DC930A - Demo Manual2009/9/24PDF449K
-
DC930A - Design File2009/9/24ZIP554K
