文档
-
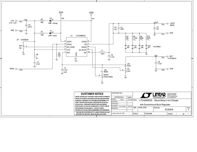
DC920A - Schematic2009/9/24PDF30K
-
DC920A - Demo Manual2009/9/24PDF130K
-
DC920A - Design File2009/9/24ZIP591K
