文档
-
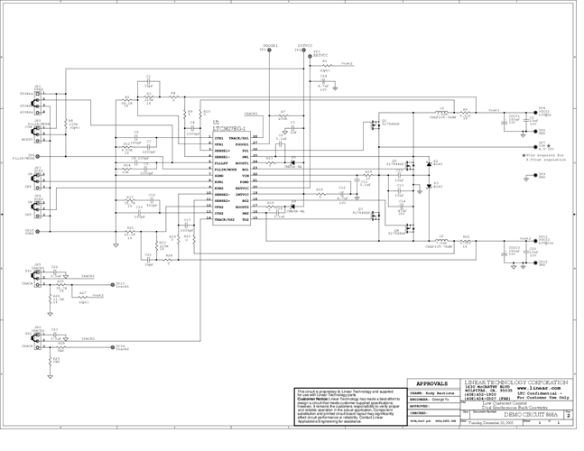
DC868A - Schematic2009/9/24PDF449K
-
DC868A - Demo Manual2009/9/24PDF387K
-
DC868A - Design File2009/9/24ZIP414K
