文档
-
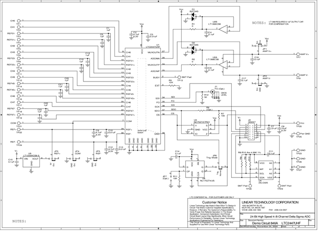
DC846A - Schematic2009/9/24PDF31K
-
DC846A - Demo Manual2012/6/19PDF198K
-
DC846A - Design File2009/9/24ZIP644K
