文档
-
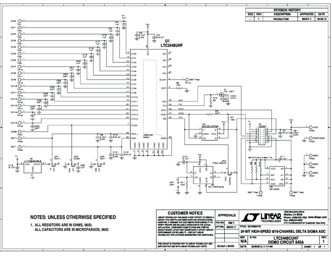
DC845A - Schematic2013/6/14PDF40K
-
DC845A - Demo Manual2013/6/20PDF563K
-
DC845A - Design File2013/6/14ZIP878K




