文档
-
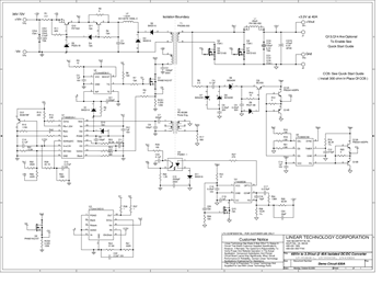
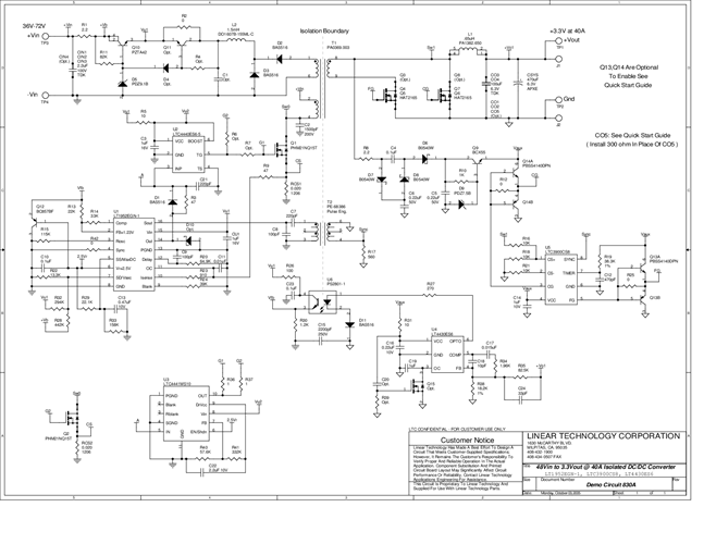
DC830A - Schematic2009/9/24PDF46K
-
DC830A - Demo Manual2009/9/24PDF741K
-
DC830A - Design File2009/9/24ZIP0K
