文档
-
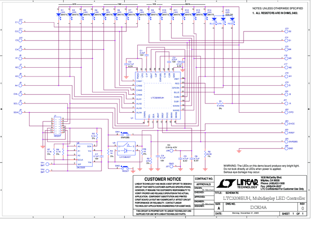
DC824A - Schematic2009/9/24PDF53K
-
DC824A - Demo Manual2009/9/24PDF650K
-
DC824A - Design File2009/9/24ZIP1M
