概览
产品详情
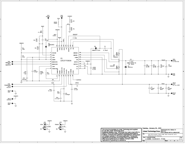
演示电路774是一款高效率同步降压DC/DC转换器,内置LTC3770EUH无RSENSE控制器。它采用5V至28V输入电压工作,并提供2.5V和高达10A输出。
相关产品
文档
-
DC774A - Schematic2009/9/24PDF121K
-
DC774A - Demo Manual2009/9/24PDF199K
-
DC774A - Design File2009/9/24ZIP1M
