概览
产品详情
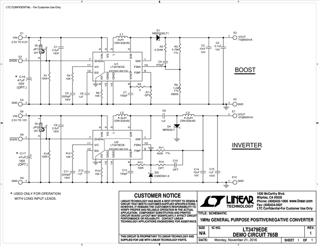
演示电路 765B 是一款采用 LT3479EDE 的通用 1MHz 正和负转换器。该演示电路演示了升压电路和负输出电路的小尺寸和低组件数。升压转换器设置为将 2.5V 至 4.2V 输入转换为 7V 输出 (在 600mA)。负输出电路可采用一个 2.5V 至 12V 输入产生 一个 –5V/600mA 输出。
相关产品
文档
-
DC765B - Schematic2017/2/9PDF29K
-
DC765B - Demo Manual2017/2/9PDF264K
-
DC765B - Design Files2017/2/9ZIP787K





