概览
产品详情
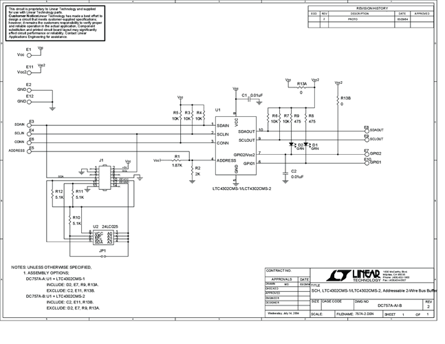
DC757A-B: Demo Board for the LTC4302 Addressable 2-Wire Bus Buffer.
相关产品
文档
-
DC757A - Schematic2009/9/24PDF59K
-
DC757A - Demo Manual2009/9/24PDF239K
-
DC757A - Design File2009/9/24ZIP728K
