概览
产品详情
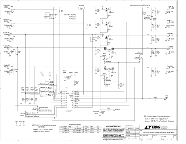
DC740A-C: Demo Board for the LTC2922 Power Supply Tracker with Input Monitors.
相关产品
文档
-
DC740A - Schematic2009/9/24PDF41K
-
DC740A - Demo Manual2009/9/24PDF185K
-
DC740A - Design File2009/9/24ZIP628K
