文档
-
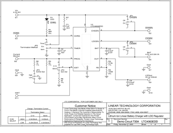
DC735A - Schematic2009/9/24PDF17K
-
DC735A - Demo Manual2009/9/24PDF451K
-
DC735A - Design File2009/9/24ZIP498K
