文档
-
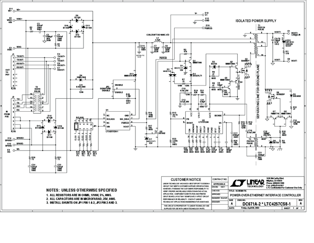
DC671A - Schematic2009/9/24PDF94K
-
DC671A - Demo Manual2009/9/24PDF408K
-
DC671A - Design File2009/9/24ZIP987K




