文档
-
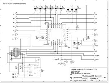
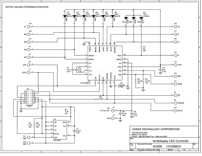
DC629A - Schematic2009/9/24PDF40K
-
DC629A - Demo Manual2009/9/24PDF1M
-
DC629A - Design File2009/9/24ZIP413K
